EasyManua.ls Logo

BMW Z3(E36/7) - Page 114

BMW Z3(E36/7)
367 pages
Print Icon
To Next Page IconTo Next Page
To Next Page IconTo Next Page
To Previous Page IconTo Previous Page
To Previous Page IconTo Previous Page
Loading...
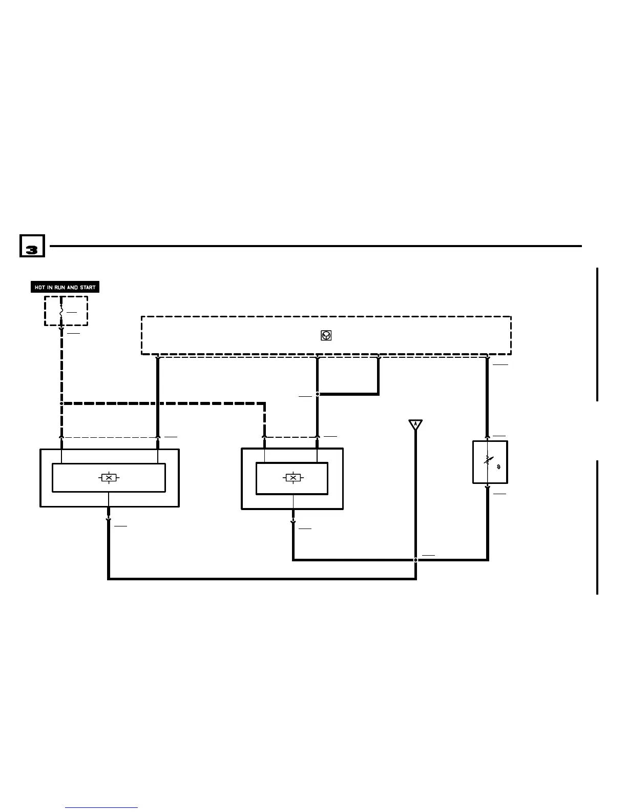
P98
FUSE HOLDER IN
EBOX
BM
BMW
BMWBMW
Z3
ENGINE CONTROL SYSTEM MSS54 (6CYLINDER S54 B32)
01/01
1210.27Ć
2001
07
A6000
ENGINE CONTROL
MODULE (DME)
25
B6214
CAMSHAFT
POSITION SENSOR
1 (INLET)
1
X86806
X62143
2
.5 BR
24
X62362
1
.5 WS .5 GE .5 BR/RT
X60003
X6236
X6214
FUSE DETAILS
0670.3
1 2 X6224
.5 GE
6
.5 GE
X62243
.5 BR
B6224
CAMSHAFT
POSITION SENSOR
2 (OUTLET)
1210.27-06
X6495
.75 BR .5 BR
B6236
ENGINE COOLANT
TEMPERATURE
SENSOR
X6462
M VERSIONS
F203
20A

Table of Contents

Other manuals for BMW Z3(E36/7)

Related product manuals