EasyManua.ls Logo

BMW Z3(E36/7) - Page 115

BMW Z3(E36/7)
367 pages
Print Icon
To Next Page IconTo Next Page
To Next Page IconTo Next Page
To Previous Page IconTo Previous Page
To Previous Page IconTo Previous Page
Loading...
BMBMWBMWBMW
Z3
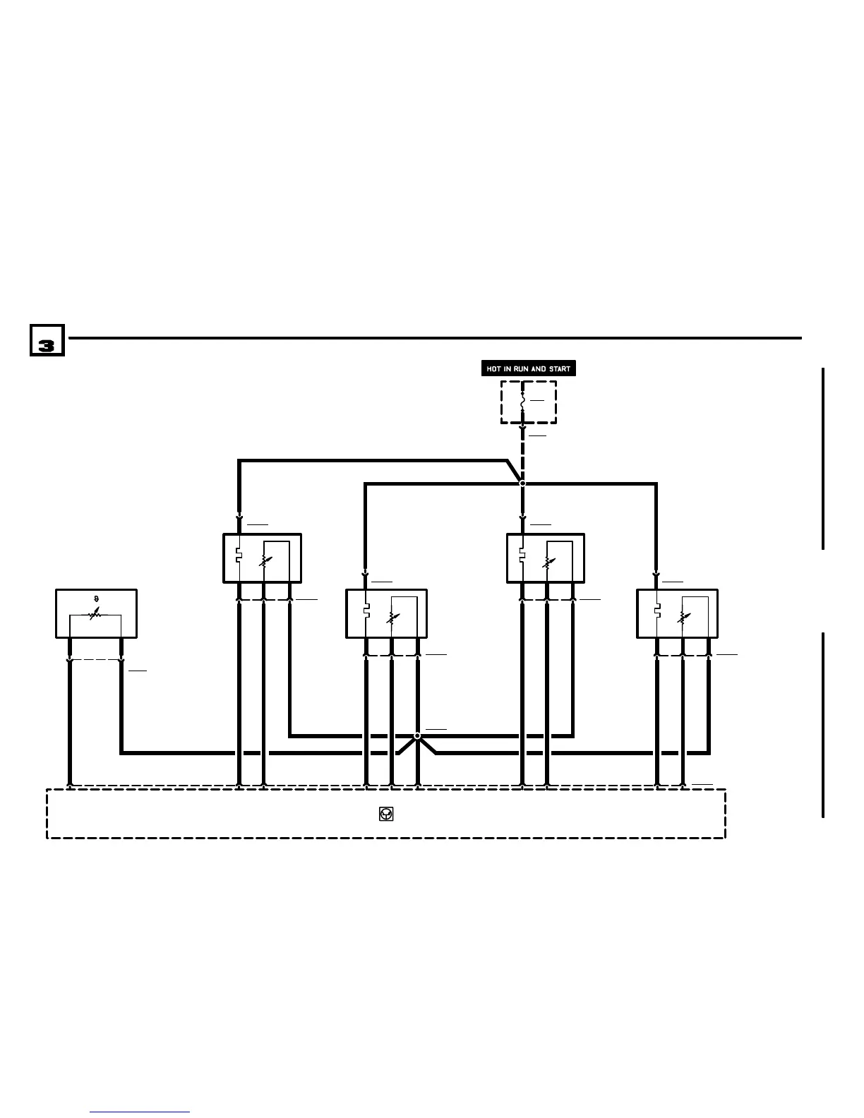
ENGINE CONTROL SYSTEM MSS54 (6CYLINDER S54 B32)
01/01
1210.27Ć
2001
08
A6000
ENGINE CONTROL
MODULE (DME)
X60002
7 16 19 18
234
1
X62102
X62102
B62102
OXYGEN SENSOR
I (BEHIND
CATALYTIC
CONVERTER)
324
1
X62202
X62202
B62202
OXYGEN SENSOR
II (BEHIND
CATALYTIC
CONVERTER)
.5 RT/WS
.5 SW.5 GE .5 SW.5 GE.5 BR
.5 RT/WS
.5 BR
1 14 513 15
234
1
X62101
X62101
B62101
OXYGEN SENSOR
I (IN FRONT OF
CATALYTIC
CONVERTER)
324
1
X62201
X62201
B62201
OXYGEN SENSOR
II (IN FRONT OF
CATALYTIC
CONVERTER)
.5 RT/WS
.5 SW.5 GE .5 SW.5 GE.5 BR
.5 BR
.5 RT/WS
X8680
8
P98
FUSE HOLDER IN
EBOX
FUSE DETAILS
0670.3
F204
30A
10
12 X5351
.5 BL/SW
B5351
EXHAUST
TEMPERATURE
SENSOR
.5 BR
X64619
.5 BR
M VERSIONS

Table of Contents

Other manuals for BMW Z3(E36/7)

Related product manuals