EasyManua.ls Logo

BMW Z3(E36/7) - Page 116

BMW Z3(E36/7)
367 pages
Print Icon
To Next Page IconTo Next Page
To Next Page IconTo Next Page
To Previous Page IconTo Previous Page
To Previous Page IconTo Previous Page
Loading...
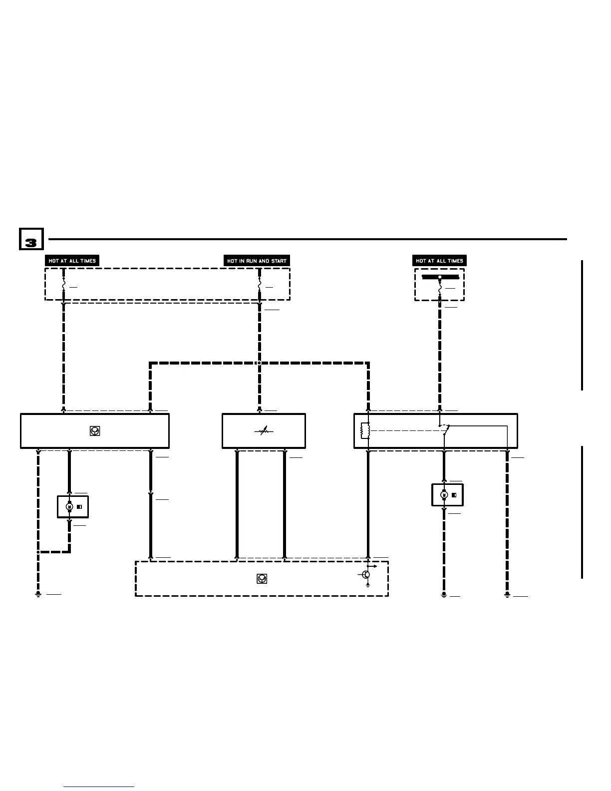
3 X60004
POWER
DISTRIBUTION
0670.2
BM
BMW
BMWBMW
Z3
ENGINE CONTROL SYSTEM MSS54 (6CYLINDER S54 B32)
01/01
1210.27Ć
2001
09
2 X6304
X61331
X6133
2
Y6133
AIR PUMP
X861
GROUND
DISTRIBUTION
0670.4
X6304
5
GROUND
DISTRIBUTION
0670.4
6
4 RT/GE
11
A6000
ENGINE CONTROL
MODULE (DME)
4
X60002
8
K6304
SECONDARY AIR
PUMP RELAY
G7512
B+ JUNCTION
POINT
F107
50A
X1982
1 X6301
.35 SW/VI
.5 BR/GN
31
X18170
K6301z
ELECTRIC FUEL
PUMP RELAY,
TIMED
7
GROUND
DISTRIBUTION
0670.4
X13032
X65001
X6500
4
M2
FUEL PUMP
2
2.5 RT/WS
3
FUSE DETAILS
0670.3
P90
FRONT POWER
DISTRIBUTION BOX
X10016
F13
5A
6
6
FUSE DETAILS
0670.3
F18
20A
16
X1714
6 X6021
.5 SW/VI
M VERSIONS
M119
LEAKAGE DIAGNO-
SIS PUMP
28
2
.5 SW/GN
X1714
30
1
.75 BR/BL
8 X6301

Table of Contents

Other manuals for BMW Z3(E36/7)

Related product manuals