EasyManua.ls Logo

BMW Z3(E36/7) - Page 243

BMW Z3(E36/7)
367 pages
Print Icon
To Next Page IconTo Next Page
To Next Page IconTo Next Page
To Previous Page IconTo Previous Page
To Previous Page IconTo Previous Page
Loading...
.5 GN/RT
01/01
6350.0Ć
2001
01
.5 WS/BL/GE
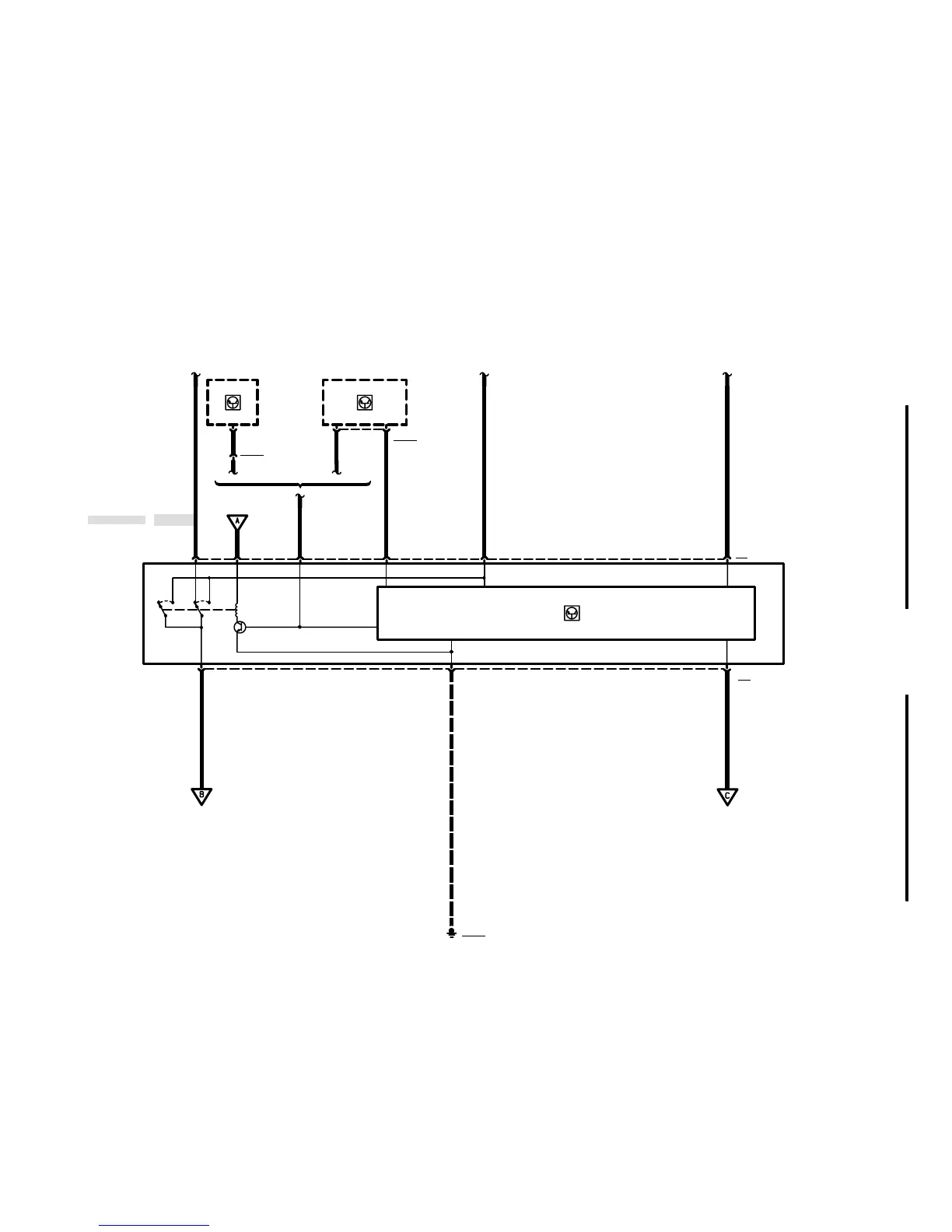
N17
CRASH CONTROL
MODULE
30
6 X65
X65
9
31
8
7
3
.5 BL/GN
6350.0-00
6350.0-02
.5 GE/BL
GROUND
DISTRIBUTION
0670.4
6350.0-02
54
.5 GE
.5 BR/BL
2
10
.5 BL/GN/GE
X10010
1.5 RT/WS/GE
A104
BODY
ELECTRONICS
CONTROL MODULE
(ZKE IV)
CANADA
8 X13025
N12w
ANTITHEFT
CONTROL
MODULE
(ALPINE)
WITH ALPINE WITH DWA
1 X10182
1
.5 BR/SW/GE

Table of Contents

Other manuals for BMW Z3(E36/7)

Related product manuals