EasyManua.ls Logo

BMW Z3(E36/7) - Page 244

BMW Z3(E36/7)
367 pages
Print Icon
To Next Page IconTo Next Page
To Next Page IconTo Next Page
To Previous Page IconTo Previous Page
To Previous Page IconTo Previous Page
Loading...
BM
BMW
BMWBMW
Z3
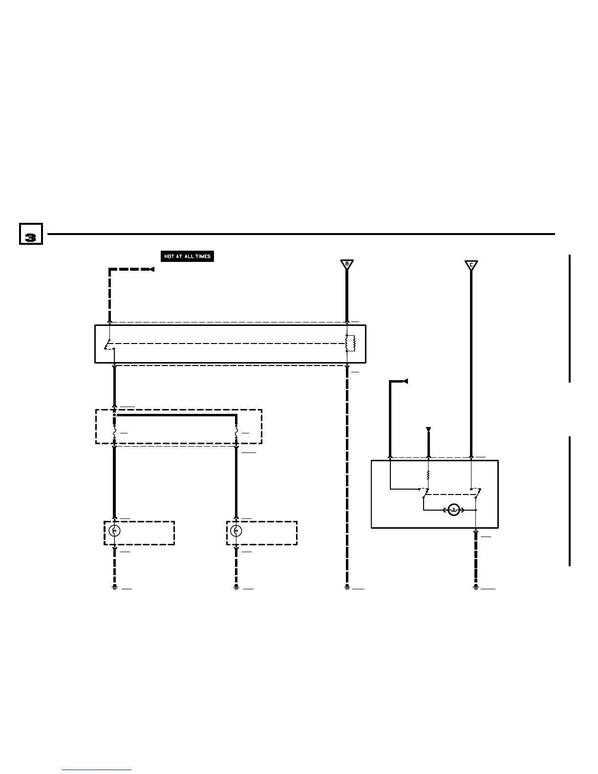
CRASH CONTROL MODULE
06/00
6350.0Ć
2001
02
6350.0-01
K48
LOW BEAM LIGHT
RELAY
.5 GE/BL
8 X45
6
X454
GROUND
DISTRIBUTION
0670.4
56b
F12
7.5A
F11
7.5A
E13
LEFT LOW BEAM
LIGHT
X165
30
86
85
.5 BR/BL
LIGHT SWITCH
DETAILS
6300.0
S18
HAZARD SWITCH
1) OFF
2) ON
X516
2
X5163
X18170
.5 GR/RT
GROUND
DISTRIBUTION
0670.4
45
6350.0-01
TURN/HAZARD
LIGHTS
6313.0
.5 BL/GN
2.5 GE
56b
2
1 X10035
2
1
X130
X130
87
POWER
DISTRIBUTION
0670.2
P90
FRONT POWER
DISTRIBUTION BOX
2
1 X135
X135
E14
RIGHT LOW BEAM
LIGHT
E7
LEFT HEADLIGHT
E8
RIGHT HEADLIGHT
4 X100162
1 GE/BL1 GE/GN
GROUND
DISTRIBUTION
0670.4
GROUND
DISTRIBUTION
0670.4
X9633X166
12 12
POWER
DISTRIBUTION
0670.2

Table of Contents

Other manuals for BMW Z3(E36/7)

Related product manuals