EasyManua.ls Logo

BMW Z3(E36/7) - Page 98

BMW Z3(E36/7)
367 pages
Print Icon
To Next Page IconTo Next Page
To Next Page IconTo Next Page
To Previous Page IconTo Previous Page
To Previous Page IconTo Previous Page
Loading...
BM
BMW
BMWBMW
Z3
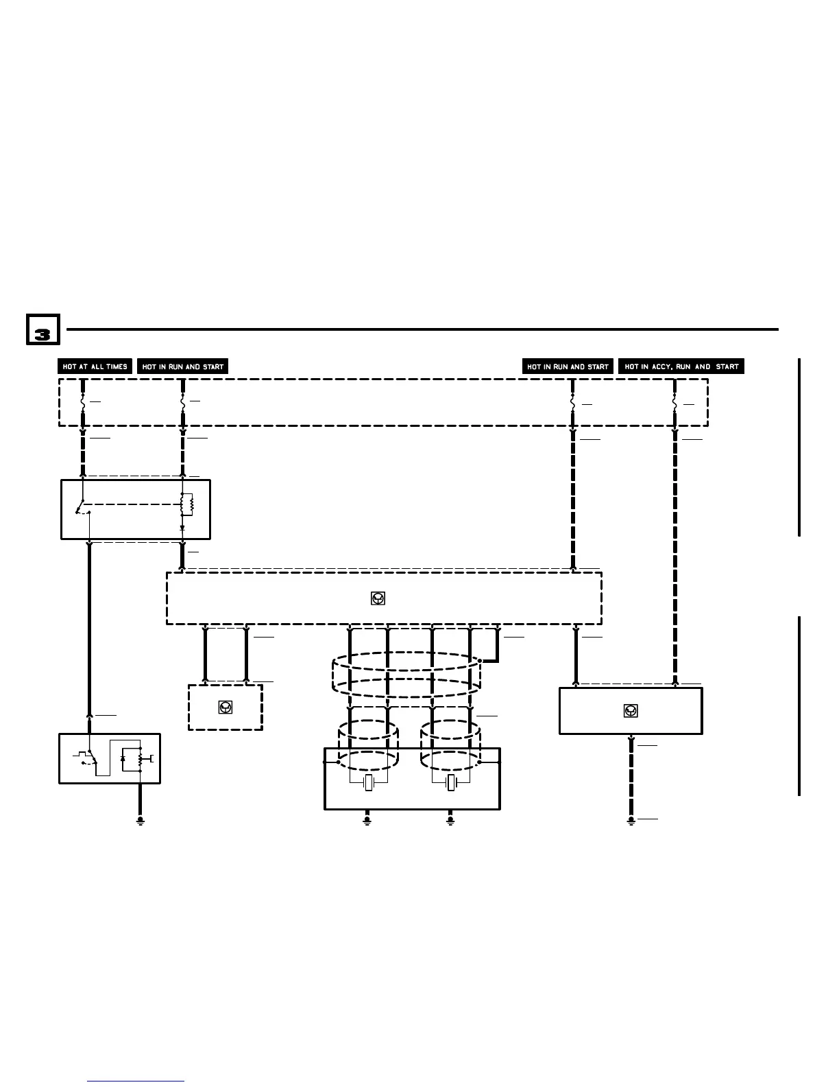
ENGINE CONTROL SYSTEM MS43 (6CYLINDER M54)
01/01
1210.26Ć
2001
08
A6000
ENGINE CONTROL
MODULE (DME)
29 30
.5 GE .5 SW
21
4831 32
.5 GN .5 BR
43
W9110
SHIELD
X62400
CYL. 46CYL. 13
B62400
DOUBLE KNOCK
SENSOR
X60003
26
FUSE DETAILS
0670.3
F43
5A
X10018
P90
FRONT POWER
DISTRIBUTION BOX
X111431
GROUND
DISTRIBUTION
0670.4
X10010
S32
CLUTCH SWITCH
27
2
.35 BL/SW
A9008
CRUISE CONTROL
INTERFACE
26 X60004
23 X60004
2 3 X11143
.5 BL/BR
1 X10170
.5 BR/OR
35 X60004
1
6
FUSE DETAILS
0670.3
4 X51
FUSE DETAILS
0670.3
2 X515
.75 SW
.5 SW/BL
K19
COMPRESSOR
CONTROL RELAY
1
Y2
AIR CONDITIONING
COMPRESSOR
1) NORMAL
TEMPERATURE
2) HIGH
TEMPERATURE
30 86
87 85
X10241
X1001818 X1001612
F39
7.5A
F16
5A
2
29
12
F26
10A
FUSE DETAILS
0670.3
X10017
Z3 VERSIONS

Table of Contents

Other manuals for BMW Z3(E36/7)

Related product manuals