EasyManua.ls Logo

BMW Z3(E36/7) - Page 99

BMW Z3(E36/7)
367 pages
Print Icon
To Next Page IconTo Next Page
To Next Page IconTo Next Page
To Previous Page IconTo Previous Page
To Previous Page IconTo Previous Page
Loading...
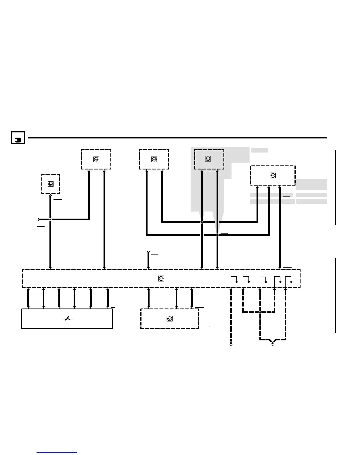
X1830381511 LATE PRODUCTION
A65
DYNAMIC STABILITY
CONTROL UNIT (DSC)
X1746321617
A19007
THERMAL OIL
LEVEL SENSOR
(TOENS) CONTROL
MODULE
D100
DATA LINK
CONNECTOR
BM
BMW
BMWBMW
Z3
ENGINE CONTROL SYSTEM MS43 (6CYLINDER M54)
01/01
1210.26Ć
2001
09
A6000
ENGINE CONTROL
MODULE (DME)
3 X600024
65 5
GROUND
DISTRIBUTION
0670.4
4 X60001
X6454
GROUND
DISTRIBUTION
0670.4
.35 SW
6 X60005
GROUND
DISTRIBUTION
0670.4
X6456
.35 GE
31
31
31
31 31
X700043736
A7000
TRANSMISSION
CONTROL MODULE
(EGS)
6
.5 WS/VI
32
TXD2 CAN+ CAN
14 X6000412
.35 GE/GN.35 BR
X7368
R10
PEDAL POSITION
SENSOR
9
2
8
.35 WS
5
7
4
.35 GE.35 BR/GN
22 X60004
.35 WS/GN
.5 BR
X11702110
A52
SLIP CONTROL
MODULE (ABS/ASC)
CAN+ CAN
.5 GE
11
3736
.5 BR.5 GE
X165843
R33
STEERING ANGLE
SENSOR
CAN
32
CAN+
.5 GE.5 BR
X1667
A2w
INSTRUMENT
CLUSTER
CAN CAN+
33
.5 SW/VI
X1805145
A837
ELECTRONIC
IMMOBILIZER
CONTROL MODULE
(EWS III)
17
.5 SW
X1900712
1
D100
DATA LINK
CONNECTOR
X6002
.35 SW
X600217
.5 WS/VI
TXD2 CAN+ CAN
TXD2 CAN+ CAN
X1047
.35 SW
.5 SW
X1893
.5 BR.5 GE
EARLY PRODUCTION
13
.35 WS/GN
1
WITH DSC
X1894
TD
Z3 VERSIONS

Table of Contents

Other manuals for BMW Z3(E36/7)

Related product manuals