EasyManua.ls Logo

BMW Z3 E37 1998 - Page 120

BMW Z3 E37 1998
347 pages
Print Icon
To Next Page IconTo Next Page
To Next Page IconTo Next Page
To Previous Page IconTo Previous Page
To Previous Page IconTo Previous Page
Loading...
paragon.myvnc.com
04/99
2460.2Ć
1998
05
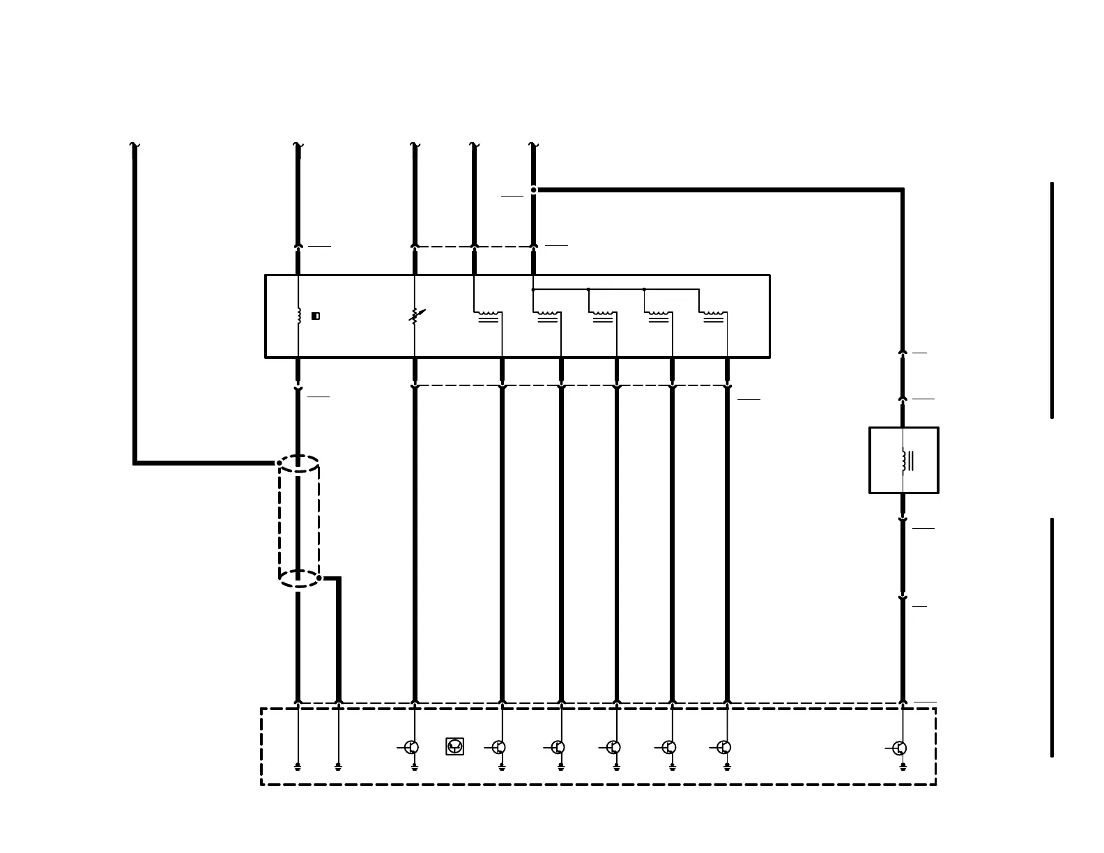
A8500
TRANSMISSION
CONTROL MODULE
(EGS)
9
32
7
.5 BL
4
3
.5 VI
X11782
33
2
.5 GN
30
1
.5 OR
2
.5 BR/VI
21
.5 TR
2
14
.5 SW
X8500
8
1
.5 VI
.5 GE .5 VI
NS
31 31 31 31 31 31 31
W8505
SHIELD UP TO
10mm BEFORE
ELECTRONIC
TRANSMISSION
OUTPUT SHAFT
SPEED SENSOR
(EGS)
31
15
1
X8516
X8516
Y8505y
TRANSMISSION
VALVE UNIT
1) SOLENOID
VALVE 1
2) SOLENOID
VALVE 2
3) SOLENOID
VALVE 3
6) HYDRAULIC
PRESSURE
REGULATOR
7) TORQUE
CONVERTER
CLUTCH
SOLENOID
VALVE
8) OIL
TEMPERATURE
SENSOR
9) SPEED
SENSOR
.5 SW
.75 BR
X8073
5
6
.5 GR
31
.5 RT
X1178
.5 VI
15
X69
X6916
.5 BR/VI
Y19
SHIFTLOCK
DR
14 2 X85054
112 91116 6 X8505

Related product manuals