EasyManua.ls Logo

BMW Z3 E37 1998 - Page 75

BMW Z3 E37 1998
347 pages
Print Icon
To Next Page IconTo Next Page
To Next Page IconTo Next Page
To Previous Page IconTo Previous Page
To Previous Page IconTo Previous Page
Loading...
paragon.myvnc.com
BM
BMW
BMWBMW
Z3
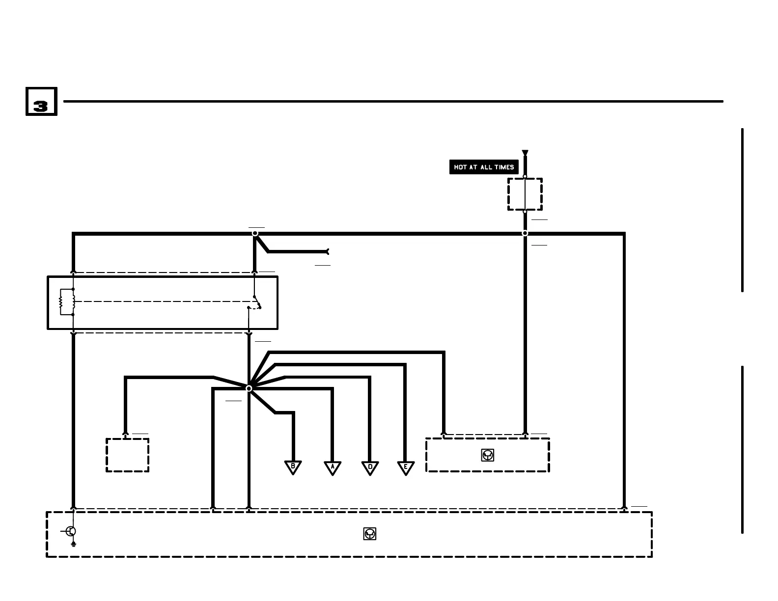
ENGINE CONTROL SYSTEM MS41.1 (6CYLINDER M52/S52)
X6300
POWER
04/99
1210.17Ć
1998
00
4
6
.5 RT
4 RT/WS
.5 RT/WS.5 BR
4 RT
4 RT
8 X6300
73 54
26 X6000
26 X8500
X6821
2
K6300
ENGINE CONTROL
MODULE RELAY
G6430
B+ JUMP START
JUNCTION POINT
A6000
ENGINE CONTROL
MODULE (DME)
86
85
30
87
.5 RT/WS 1.5 RT/WS
A8500
TRANSMISSION
CONTROL MODULE
(EGS)
POWER
DISTRIBUTION
0670.2
54
1210.17-10
1.5 RT/WS
1 RT/WS
2.5 RT/WS
1210.17-01 1210.17-01
4 RT
X6412
.5 RT/WS
87
2.5 RT
14
X6002
D100
DATA LINK
CONNECTOR
X6411
31
6 RT
X6430
1210.17-05
1210.17-11
2 X6506
M6506
EBOX FAN
.5 RT/WS
M ROADSTER

Related product manuals