EasyManua.ls Logo

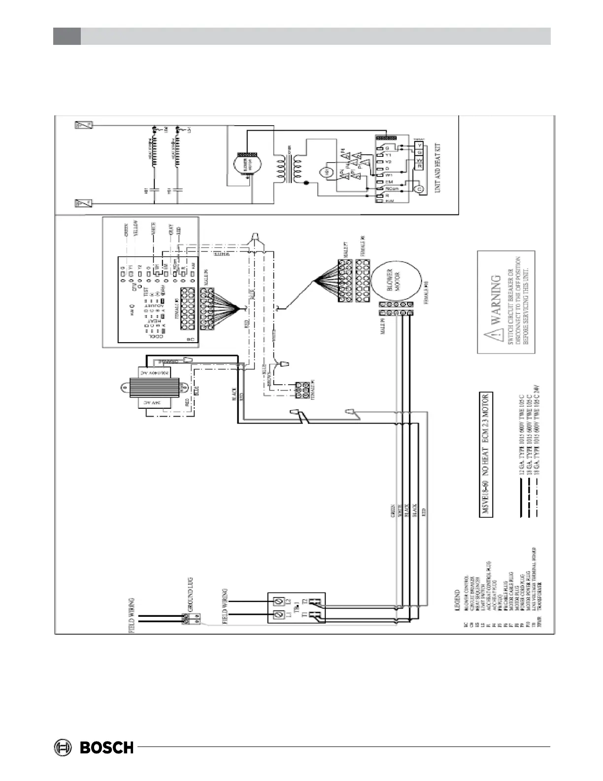
Bosch DX025 - Electrical Diagrams: Air Handler without Electric Heat; Air Handler without Electric Heat Wiring Diagram

Bosch DX025
32 pages
Print Icon
To Next Page IconTo Next Page
To Next Page IconTo Next Page
To Previous Page IconTo Previous Page
To Previous Page IconTo Previous Page
Loading...


Subject to change without prior notice Revised 11-11
6720220327




Related product manuals