EasyManua.ls Logo

Bosch FPA-5000 - Page 228

Bosch FPA-5000
326 pages
To Next Page IconTo Next Page
To Next Page IconTo Next Page
To Previous Page IconTo Previous Page
To Previous Page IconTo Previous Page
Loading...
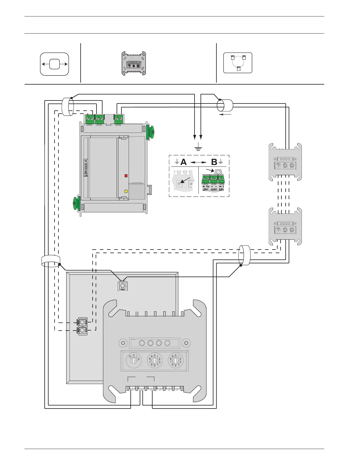
LSN 0300 A
AUX1 LSN1 AUX2 LSN2
+ – a– b+ + – a– b+
FLM-I 420-S
LSN
b1+ a- b2+ NA NA NA
FLM--I 420--S
228 en | Wiring Modular Fire Panel
2016.07 | 12.6 | F.01U.009.201 Wiring Guide Bosch Sicherheitssysteme GmbH

Other manuals for Bosch FPA-5000

Related product manuals