EasyManua.ls Logo

Bosch FPA-5000 - Page 232

Bosch FPA-5000
326 pages
To Next Page IconTo Next Page
To Next Page IconTo Next Page
To Previous Page IconTo Previous Page
To Previous Page IconTo Previous Page
Loading...
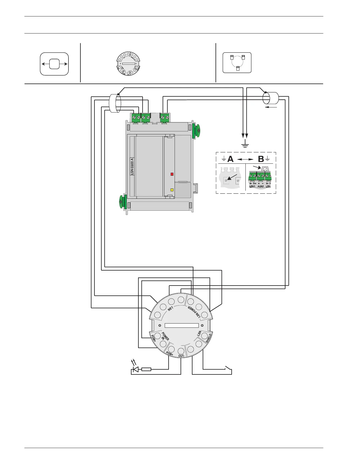
LSN 0300 A
AUX1 LSN1 AUX2 LSN2
+ – a– b+ + – a– b+
FLM-420-O1I1-E
N I
- N
I
+
N
I
V
0
U
+
U
+
- 2 a
- 1 a
b2+
+ 1
b
T U
O
- W
O
P
FLM-420-O1I1-E
N I
-
N I
+ N
I
V
0
U
+
U +
- 2 a
- 1 a
b2+
+ 1
b
T U O
- W OP
FLM-420-O1I1-E
max. 3m max. 3m
232 en | Wiring Modular Fire Panel
2016.07 | 12.6 | F.01U.009.201 Wiring Guide Bosch Sicherheitssysteme GmbH

Other manuals for Bosch FPA-5000

Related product manuals