EasyManua.ls Logo

Branson F42r - Page 181

Branson F42r
454 pages
Print Icon
To Next Page IconTo Next Page
To Next Page IconTo Next Page
To Previous Page IconTo Previous Page
To Previous Page IconTo Previous Page
Loading...
4
-
9
42hW-201601
CHAPTER 4 TRANSMISSION
4
3015R(h)/3515R(h)/4015R(h)/F36R(h)/F42R(h) TRACTOR
HST MODEL
,1387
&2817(5
0):'
68%'5,9(
5DQJHVKLIW
372&/87&+3$&.
&
%
$
0):'
7
7
7
7
7
7
7
7
7
7
5
2
4
36
1
A42W403B
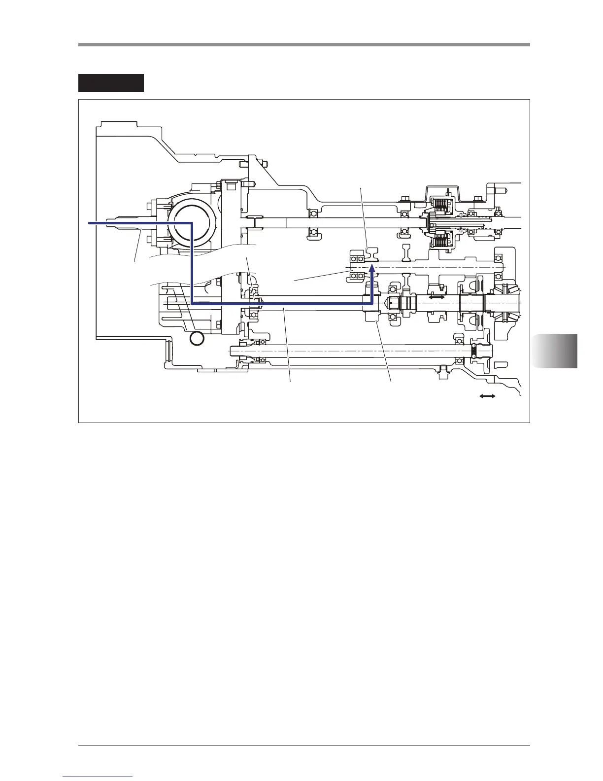
TheenginetorqueistransferredtotheHSTthroughtheHSTinputshaft(pumpshaft)(1).Then,itisconverted
tohydraulicpressureintheHSTtoturntheHSTmotorshaft(2).AstheHSTmotorshaftisconnectedtothe
rangeshiftdriveshaft(6),rotationoftherangeshiftdriveshaftturnsthe26Tgear(3) whichthenturnsthe
rangeshiftdriveshaft(5)throughtheengaged29Tgear(4).
Therefore,theamountofdepressionoftheforwarddrivingpedaldeterminesthehydraulicpressurequantity
fortheHSTinputshaft(pumpshaft),andthischangeofhydraulicpressureleadstoconsequentialchangein
HSTmotorshaftspeed,enablingcontinuousshiftoperation.

Table of Contents

Other manuals for Branson F42r

Related product manuals