EasyManua.ls Logo

Branson F42r - Parking Brake Operation

Branson F42r
454 pages
Print Icon
To Next Page IconTo Next Page
To Next Page IconTo Next Page
To Previous Page IconTo Previous Page
To Previous Page IconTo Previous Page
Loading...
4
-
24
42hW-201601
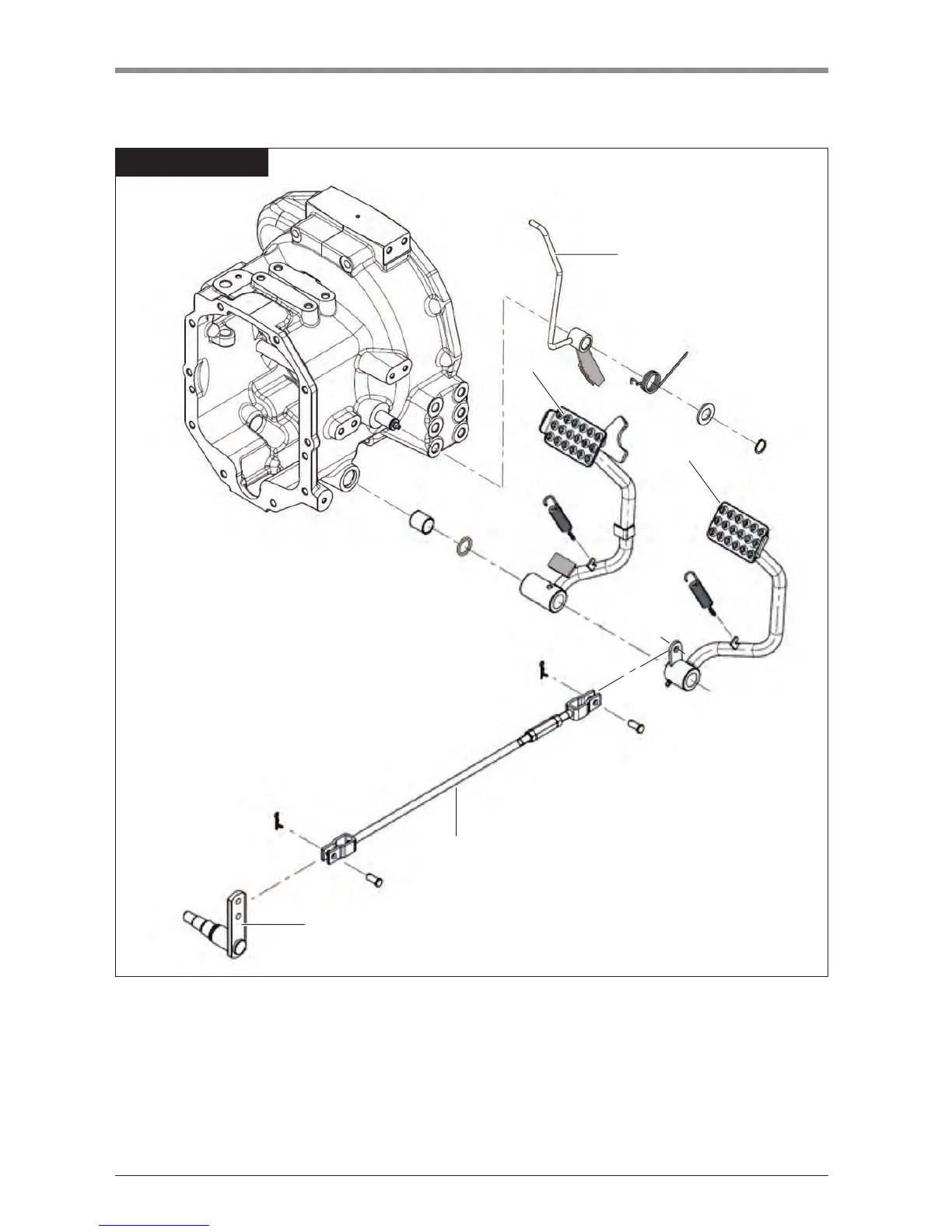
CHAPTER 4 TRANSMISSION 3015R(h)/3515R(h)/4015R(h)/F36R(h)/F42R(h) TRACTOR
3.3 PARKING BRAKE OPERATION
3
2
4
1
1
F42W427A
(1)Brakepedal
(2)Parkingbrakelever
(3)Brakerod
(4)Brakelever
3015R/3515R/4015R

Table of Contents

Other manuals for Branson F42r

Related product manuals