EasyManua.ls Logo

Bridgeport Interact 2 - Page 56

Default Icon
95 pages
Print Icon
To Next Page IconTo Next Page
To Next Page IconTo Next Page
To Previous Page IconTo Previous Page
To Previous Page IconTo Previous Page
Loading...
I
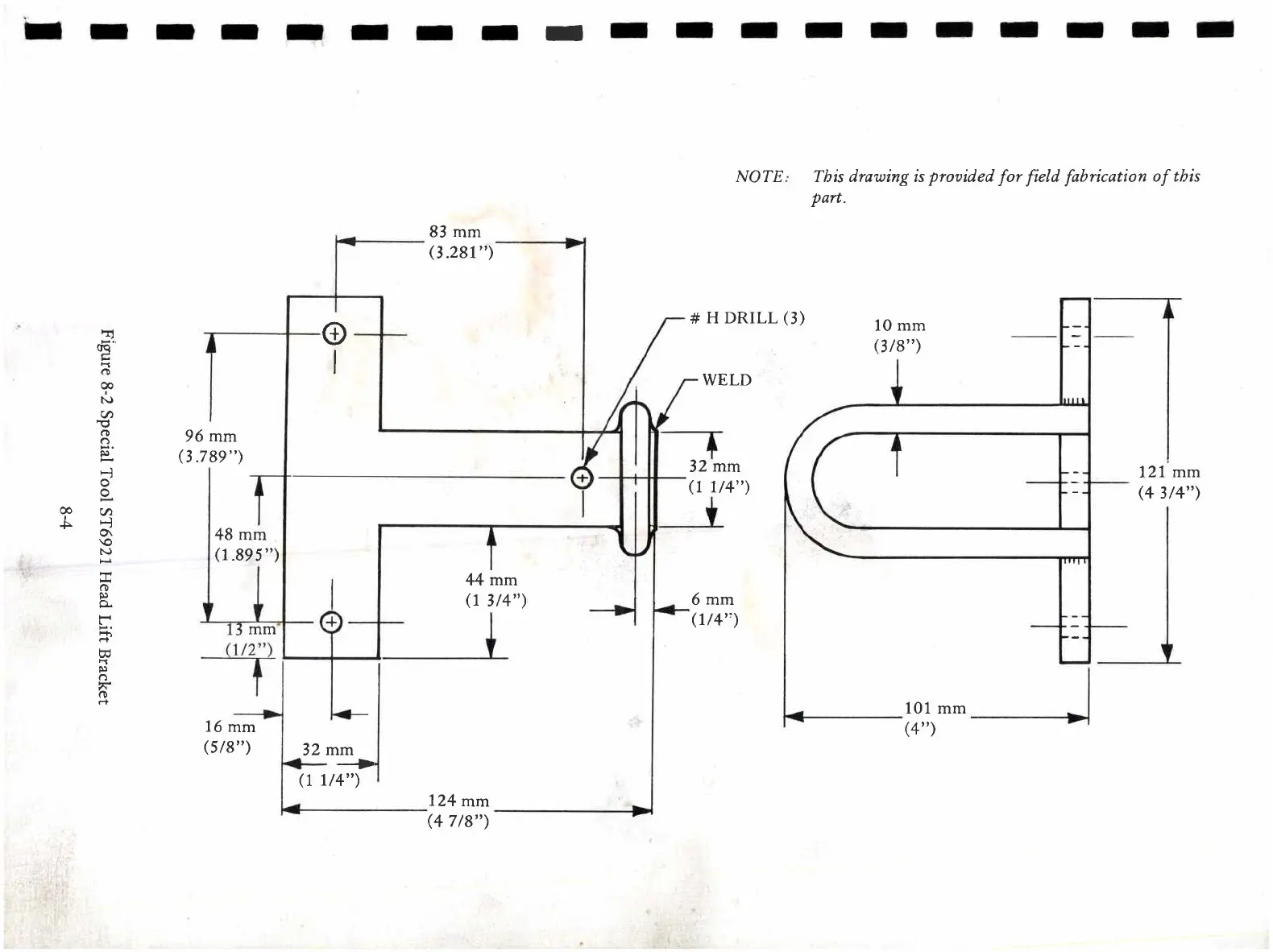
NOTE Tbis drawing is
provided
for
field fabrication
of tbis
part.
83 mm
(3.281")
#
H DRILL
(3)
10
mm
(3
/8"1
WELD
96 mm
(3.789")
32
mm
,!
oc
r-t
o
co
t''J
(A
(a
o
F:
-l
o
o
@u)
L*I
o(
\o
fJ
o
F)
o-
t-
Fb
d
EE
rl
F:
n
7f
o
.+
(7
t/4")
6mm
(t/+")
121
mm
(4
3t+")
48 mm
(1.995")
mm
44
mm
(7
3/4")
101 mm
(4")
16
mm
(5
/8")
32
mm
_+
124
mm
(4
7
/8")
o
I
(7
u4")

Table of Contents

Related product manuals