EasyManua.ls Logo

Bridgeport Interact 2 - Dual Dial Layout

Default Icon
95 pages
Print Icon
To Next Page IconTo Next Page
To Next Page IconTo Next Page
To Previous Page IconTo Previous Page
To Previous Page IconTo Previous Page
Loading...
)
I
2t5027t
2t597+2 2r5 110 t7052AO
2L570L8
_l
I
/
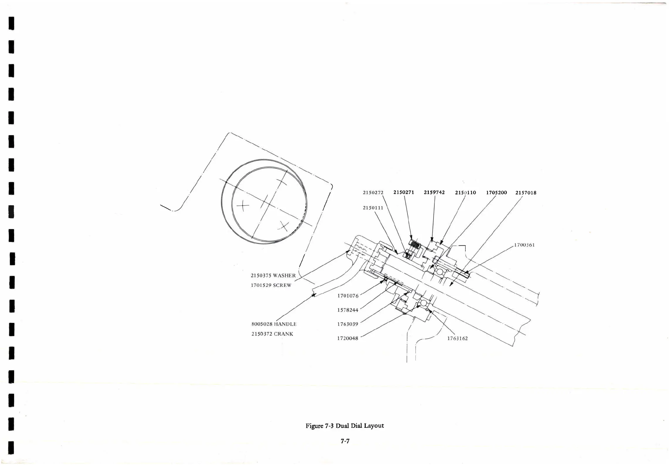
Figure
7-3
Dtal
Dial Layout
7-7

Table of Contents

Related product manuals