EasyManua.ls Logo

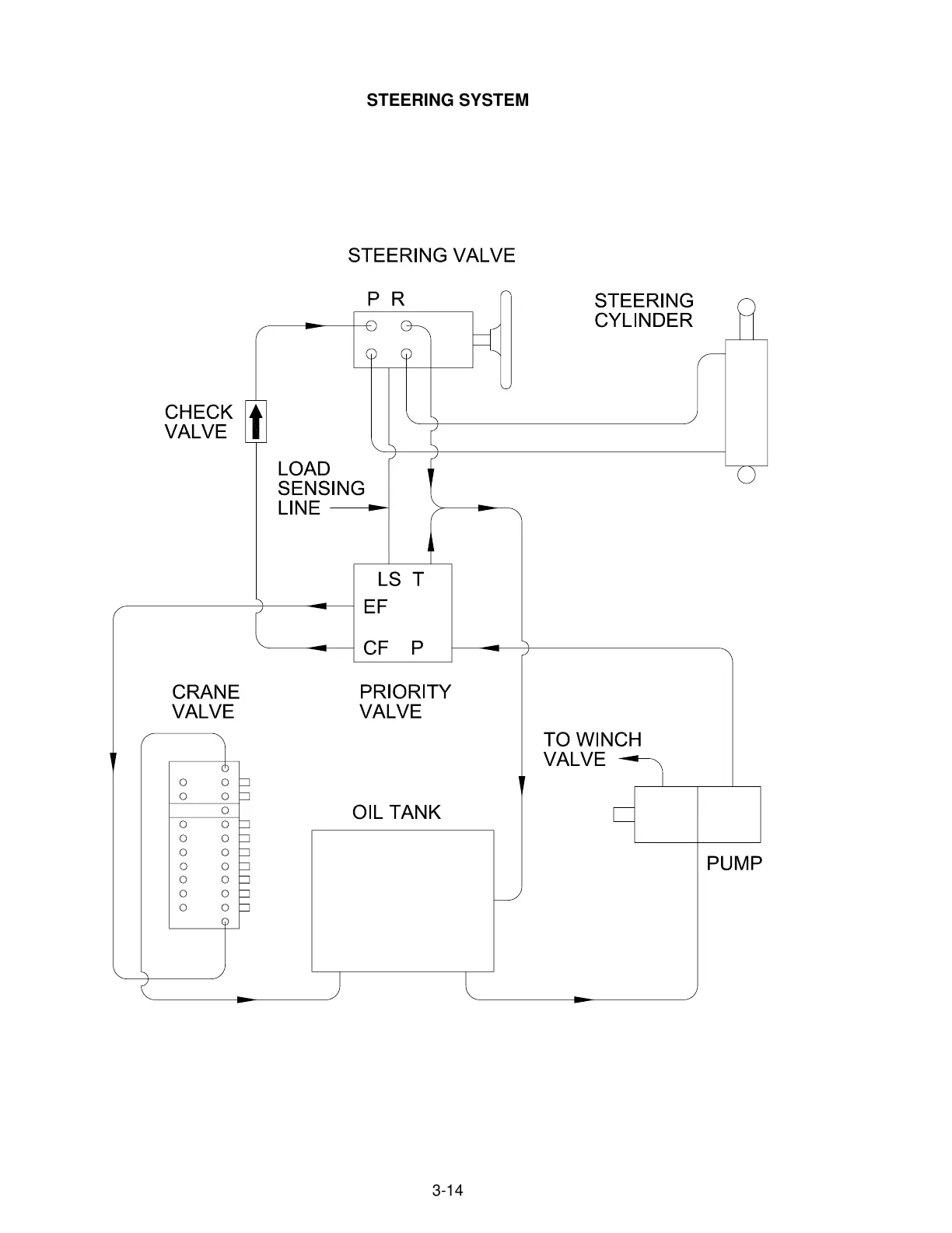
Broderson IC-35-2F - Steering System

Broderson IC-35-2F
71 pages
Print Icon
To Next Page IconTo Next Page
To Next Page IconTo Next Page
To Previous Page IconTo Previous Page
To Previous Page IconTo Previous Page
Loading...
3-14
STEERING SYSTEM
Courtesy of Crane.Market

Related product manuals