EasyManua.ls Logo

BSV BSPOOL EVOTOUCH Series - 4- Control de Salida del Relé

BSV BSPOOL EVOTOUCH Series
Print Icon
To Next Page IconTo Next Page
To Next Page IconTo Next Page
To Previous Page IconTo Previous Page
To Previous Page IconTo Previous Page
Loading...
Manual EVOTOUCH v.5 29 / 104
Nota: Debe tenerse en cuenta que el equipo debe configurarse en modo paro-
marcha”, tal y como se detalla en el apartado 3.3.2.1
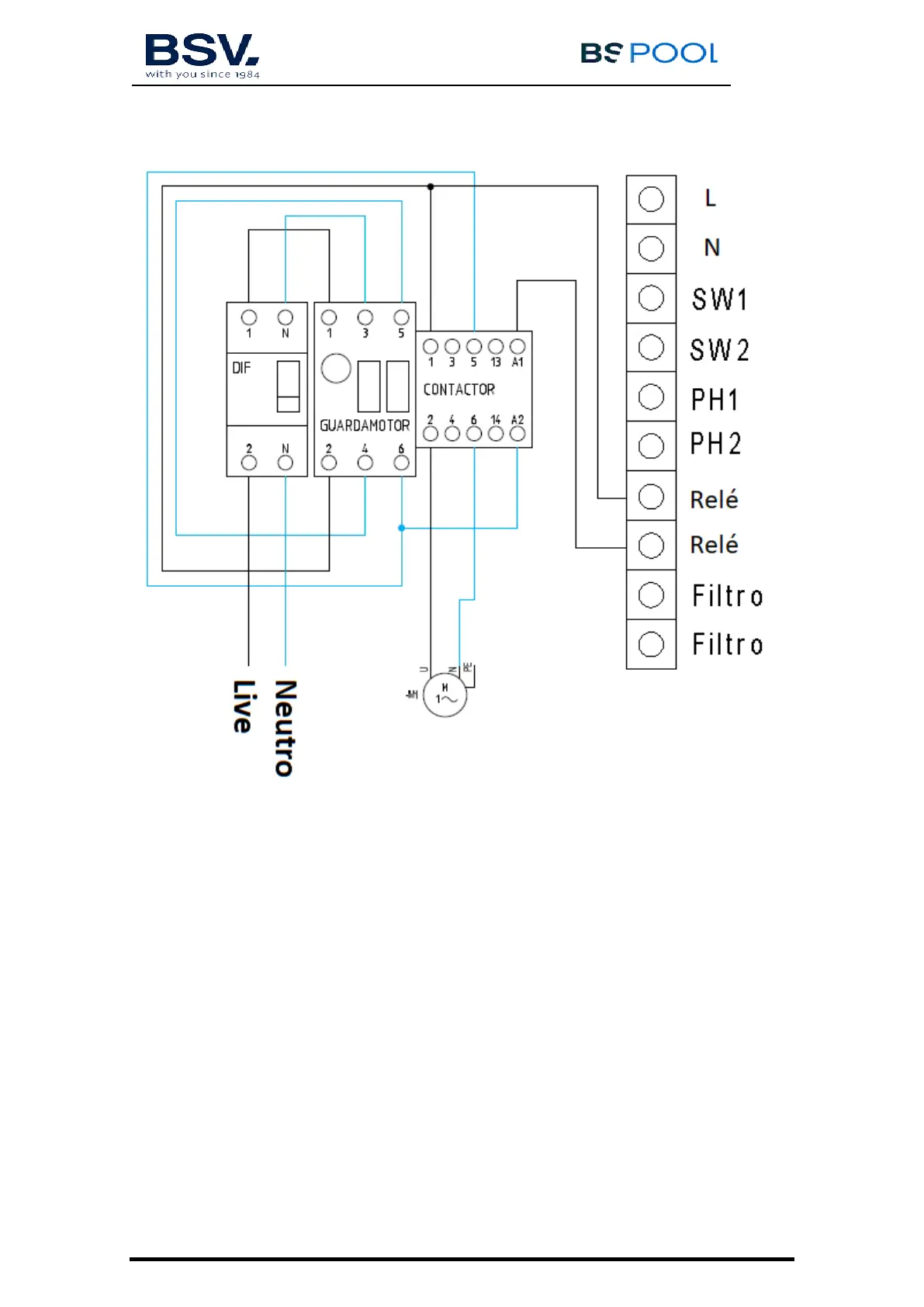
3.3.2.4- Control de salida del relé
EVOTOUCH dispone además de 1 relés libres de potencial, en el que se podrán
conectar diferentes dispositivos. Situado en la PCB de potencia.
Para controlar manualmente el funcionamiento ON/OFF o un modo de
programación automática, se deberá acceder al menú relés en la parte derecha
del menú principal.
Este relé dispone de 4 programaciones durante el día. Se establecerá un modo
de funcionamiento AUTO, en el que el relé se deberá encender cuando llegue a

Table of Contents