EasyManua.ls Logo

Buell 2003XB9S - Page 347

Buell 2003XB9S
588 pages
Print Icon
To Next Page IconTo Next Page
To Next Page IconTo Next Page
To Previous Page IconTo Previous Page
To Previous Page IconTo Previous Page
Loading...
4-38 2003 Buell XB9S: Fuel System
HOME
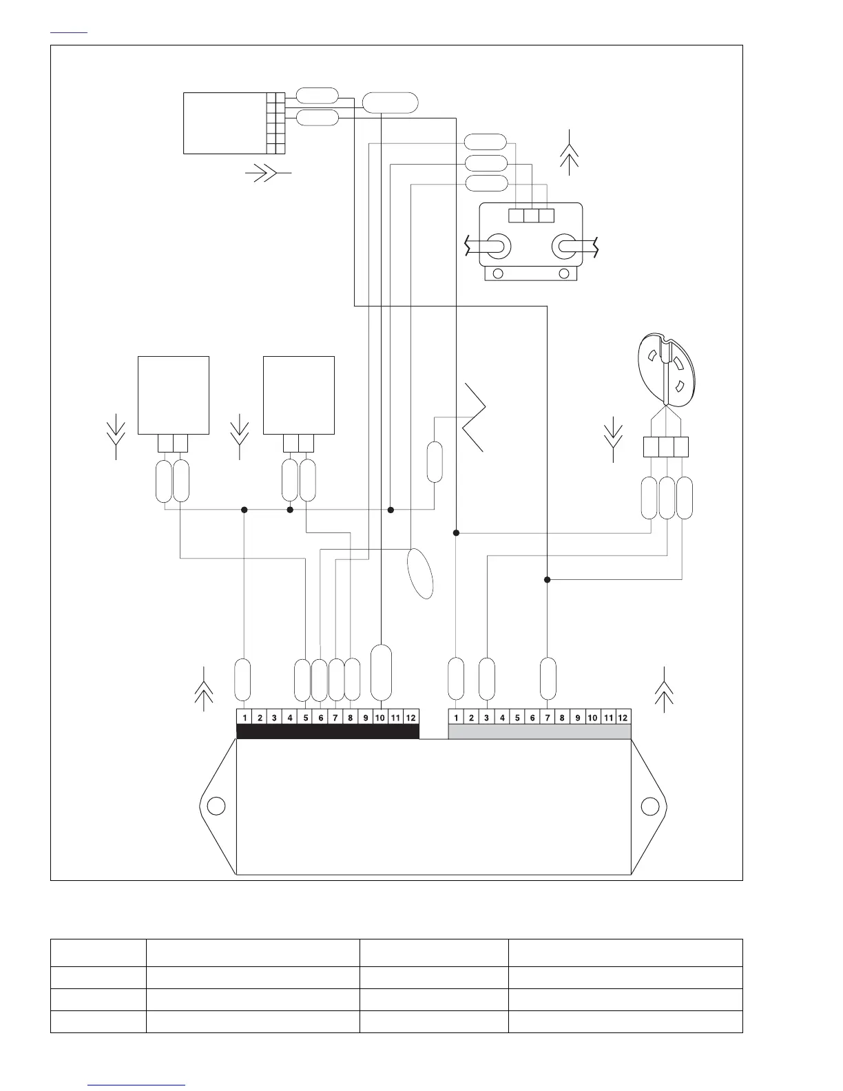
Figure 4-32. Ignition Coil Circuit
Table 4-16. Wire Harness Connectors in Figure 4-32.
NO. DESCRIPTION TYPE LOCATION
[10] ECM (black) 12-place Deutsch under seat
[22] right hand controls 4-place Multilock beneath windscreen
[83] ignition coil 3-place Packard beneath airbox base
1
2
3
4
5
6
1
2
3
4
5
6
Front
Injector
Ignition Coil
W/Y
GN/W
BK/W
R/W
Electronic Control Module
(ECM)
GY
Cam Position
Sensor
A
BK/W
Y/BE
GY
BE/O
GN/GY
B
C
A
A
A
CB
B
B
To Rear
Cylinder
To Front
Cylinder
GN/W
R/W
Rear
Injector
GY
To
Ignition
Relay
Y/BE
GY
BE/O
GY
GN/GY
Dyno
Loop
b1071a4x
W/Y
LT.GN/GY
Bank Angle
Sensor
LT.GN/GY
R/W
BK/W
[134A] [134B]
[83A]
[10A]
[11A]
[84A]
[84B]
[85B]
[85A]
[14B]
[14A]
[83B]
[10B] [11B]
Connector Connector

Table of Contents