EasyManua.ls Logo

Bunn IMIX - Page 45

Bunn IMIX
52 pages
Print Icon
To Next Page IconTo Next Page
To Next Page IconTo Next Page
To Previous Page IconTo Previous Page
To Previous Page IconTo Previous Page
Loading...
45
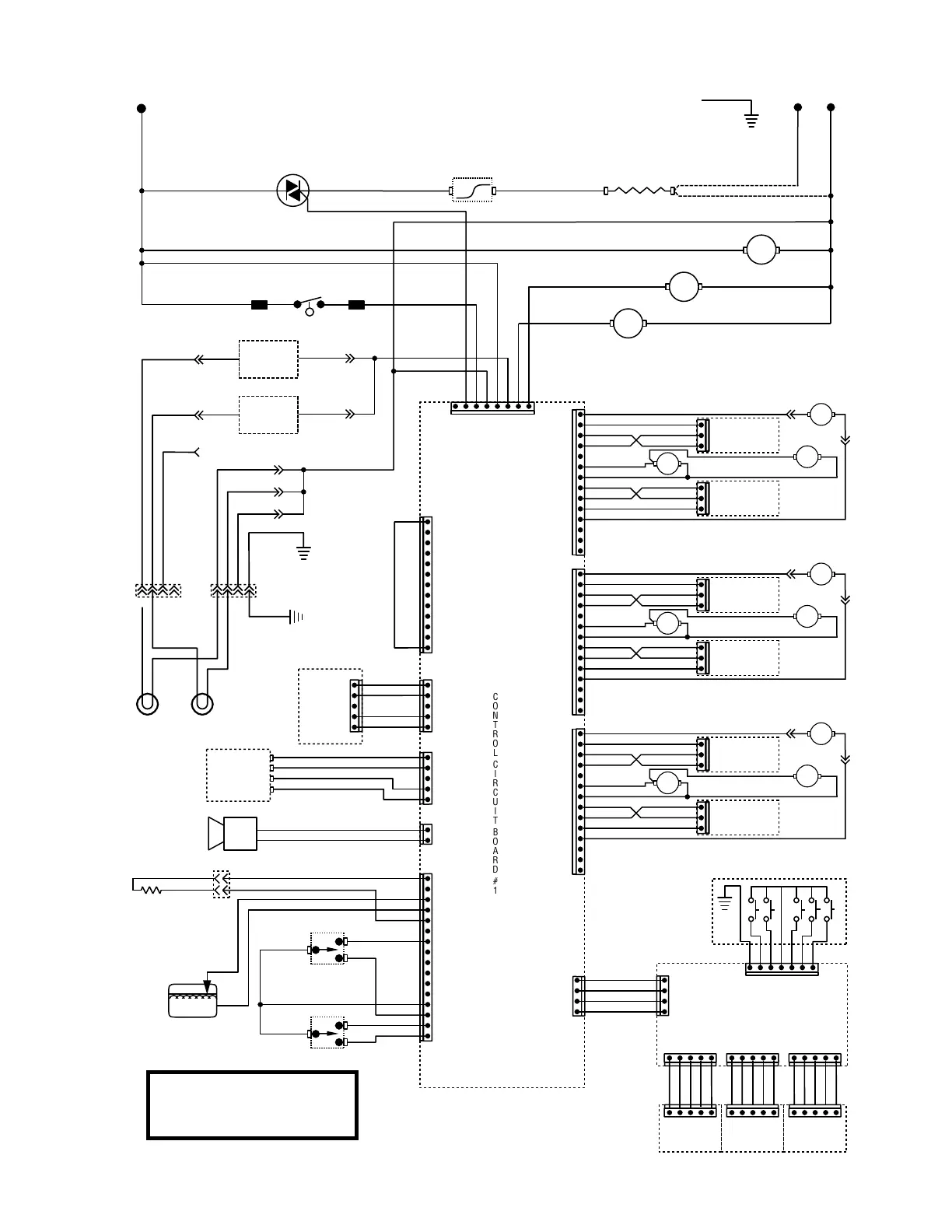
120 VOLTS AC - 2 WIRE
120/208-240 VOLTS AC - 3 WIRE
SINGLE PHASE, 60HZ
SCHEMATIC WIRING DIAGRAM
iMIX-3
GRN
L1
BLK-16
BLK
BLK
BLK
BLU-16 BLK-16
TANK HEATER
LIMIT
THERMOSTAT
WHI
WHI
WHI
WHI
N L2
BLK
FAN
J1-5
J1-8
J1-1
CONTROL
CIRCUIT
BOARD
#1
SOL
REFILL VALVE
TRIAC
TAN
RED
WHI
BLK
BLK
GRY
M
J3-5
J3-1
J3-10
J3-14
J4-5
J4-1
J4-10
J4-14
J5-5
J5-1
J5-10
J5-14
J12-5
J2-5
J2-1
J11-4
J11-1
J8-1
J12-1
J12-10
J12-16
RIGHT
LAMP ASSY.
LEFT LAMP
ASSY.
RED RED
OVERFLOW
PROTECTION SW
BALLAST 1
BLK RED/BLK
GRN/BLK
BLU/BLK
RED/WHI
GRN/WHI
BLU/WHI
BLK
BALLAST 2
BLK
BLK
BLK
BLK
J9-5
J9-1
120V : 24V AC
TRANSFORMER
BLK
WHI
YEL
YEL
GRN
WHI
RED
BLK
WHI
PNK
GRN
WHI WHI
WHI
WHI
GRN
1
4
1
4
RED/BLK
GRN/BLK
BLU/BLK
RED/WHI
GRN/WHI
BLU/WHI
GRN
WHI/RED
WHI/GRN
WHI
WHI
GRN
BEEPER
RED
BLK
BLK
PROBE
ON
OFF
NIGHT
RUN
PROGRAM
RINSE
WHI/GRN
WHI/YEL
WHI/VIO
WHI/BLU
GRN
RED
ORN
BLU
WHI
GRN
GRN
1
t
WHI
BLK
J1-1 J1-5 J2-1 J2-5 J3-1 J3-5
J1-1 J1-5 J2-1 J2-5 J3-1 J3-5
J10-4
J10-1
DISPLAY BOARD
SWITCH
BOARD
SWITCH
BOARD
SWITCH
BOARD
BLU
YEL
ORN
BLK
RED
BLU
YEL
ORN
BLK
RED
BLU
YEL
ORN
BLK
RED
J9-1
J9-7
TOUCHPAD
1
AUGER MOTOR
SPEED SENSOR
#1
1
HOPPER EMPTY
DETECT SENSOR
#1
M
DISPENSE VALVE #1
AUGER #1
WHIPPER #1
BRN/WHI
GRN
RED
BLK
BRN/BLK
WHI
TAN
WHI
BLK
BLK
BLK
GRN
1
AUGER MOTOR
SPEED SENSOR
#2
1
HOPPER EMPTY
DETECT SENSOR
#2
M
DISPENSE VALVE #2
AUGER #2
WHIPPER #2
GRN
RED
RED
WHI/RED
WHI/ORN
ORN
BLK
WHI
RED
WHI
GRN
1
AUGER MOTOR
SPEED SENSOR
#3
1
HOPPER EMPTY
DETECT SENSOR
#3
M
DISPENSE VALVE #3
AUGER #3
WHIPPER #3
GRN
RED
BLK
WHI
ORN
WHI
GRN
RED-16 (3-WIRE MODELS)
WHI-16 (3-WIRE MODELS)
MEMORY
BOARD
SOL
HOT WATER
(OPTIONAL)
SOL
M
SOL
M
SOL
M
J10-5
J10-1
J10-10
GRN
42032 060109

Related product manuals