EasyManua.ls Logo

BUSCH DUPLEX - Dimensions Sheets

BUSCH DUPLEX
44 pages
Print Icon
To Next Page IconTo Next Page
To Next Page IconTo Next Page
To Previous Page IconTo Previous Page
To Previous Page IconTo Previous Page
Loading...
13 | Dimensions sheets
0870S03226_VRD 2072-3108_-0000_IM_en
33 /
44
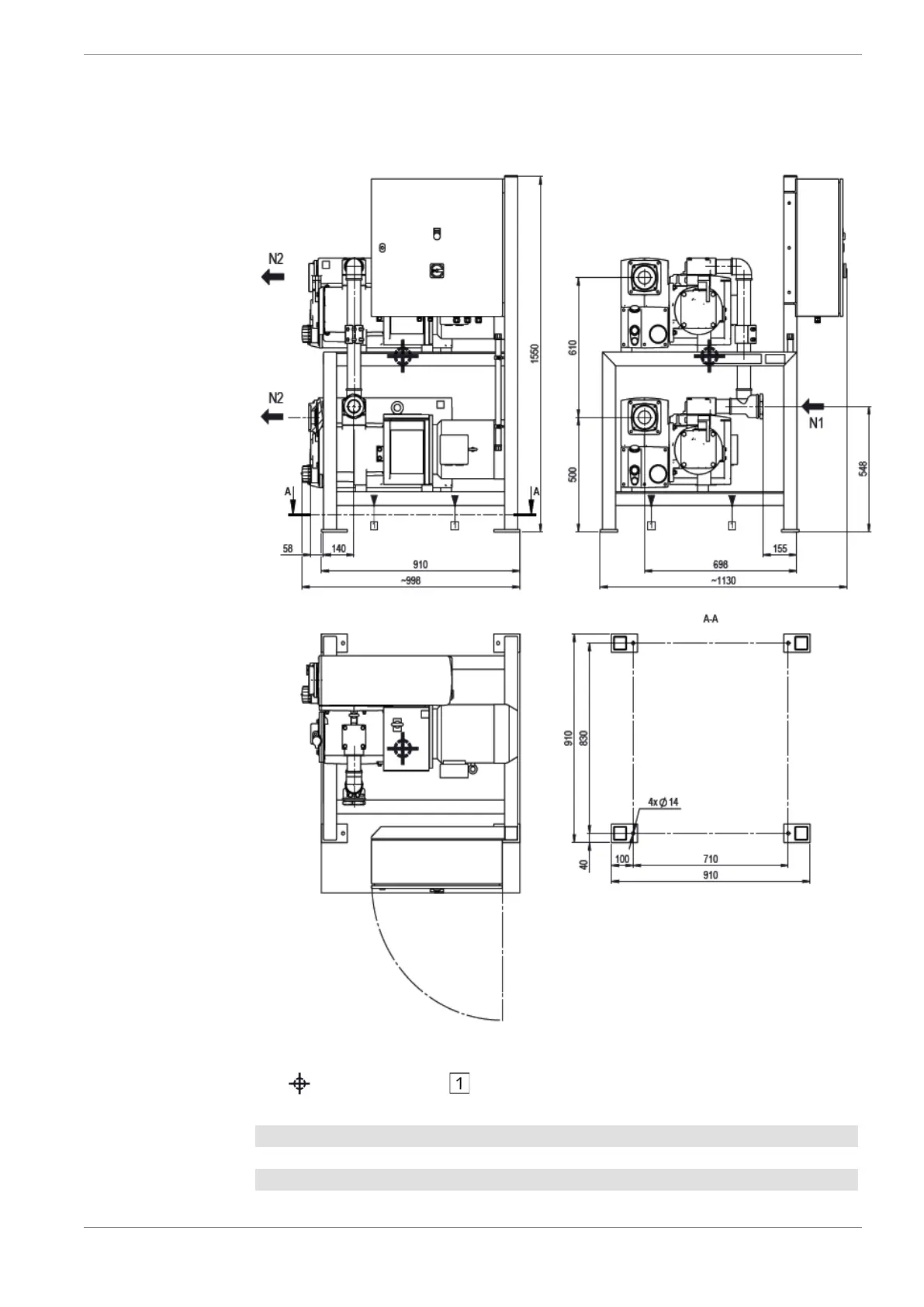
13 Dimensions sheets
Dimensions of the vacuum system DUPLEX VRD 2072
Fig. 18 : Dimensions of the vacuum system DUPLEX VRD 2072
Center of
gravity
Lifting point
Pos. Designation Connection Standard
N1 Gas inlet G 3“ / G 2“, female thread ISO 228-1
N2 Gas outlet G 2", female thread ISO 228-1
Tab. 1: Connections of the vacuum system DUPLEX VRD 2072