EasyManua.ls Logo

Butler LIBRAK380.3DTEC - Page 5

Butler LIBRAK380.3DTEC
99 pages
Print Icon
To Next Page IconTo Next Page
To Next Page IconTo Next Page
To Previous Page IconTo Previous Page
To Previous Page IconTo Previous Page
Loading...
INSTRUCTION, USE AND
MAINTENANCE MANUAL
GB
Page 5 of 62
1297-M021-1_B
LIBRAK380.3DTEC - LIBRAK380P.3DTEC - LIBRAK430.3DTEC - LIBRAK430P.3DTEC
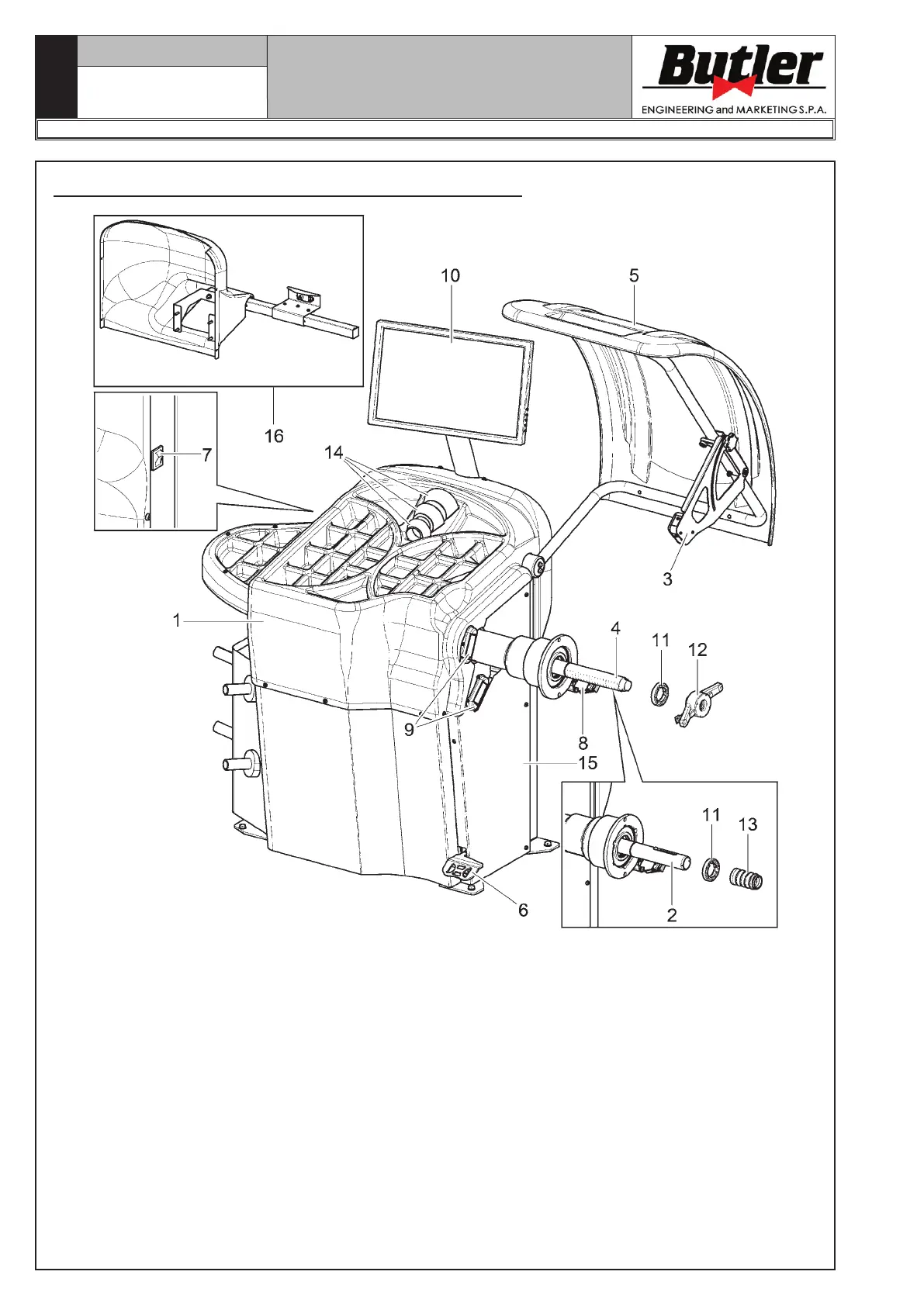
KEY
1 Weight holding bridge
2 Pneumatic mandrel (only for LIBRAK430P.3DTEC model)
3 Ultrasound sensors
4 Threaded mandrel (only for LIBRAK430.3DTEC model)
5 Protection guard
6 Foot brake (only for LIBRAK430.3DTEC model) / pneumatic mandrel open-close foot brake pedal
(only for LIBRAK430P.3DTEC model)
7 Main switch
8 Laser sensor
9 Led light unit
10 Touch-screen
11 Pusher ring
12 Rapid ring nut (only for LIBRAK430.3DTEC models)
13 Locking sleeve (only for LIBRAK430P.3DTEC models)
14 Cones
15 Lateral guard
16 Tyre outer side electronic RUN-OUT measuring device (optional)
Fig. 2 - LIBRAK430.3DTEC - LIBRAK430P.3DTEC

Table of Contents