EasyManua.ls Logo

BWT STARDECK INEO - Programming the Ends of Travel; Wiring Diagram

BWT STARDECK INEO
56 pages
Print Icon
To Next Page IconTo Next Page
To Next Page IconTo Next Page
To Previous Page IconTo Previous Page
To Previous Page IconTo Previous Page
Loading...
PROTECTION & SAFETY
20 2021/07 - Version: C -
Code : 34681
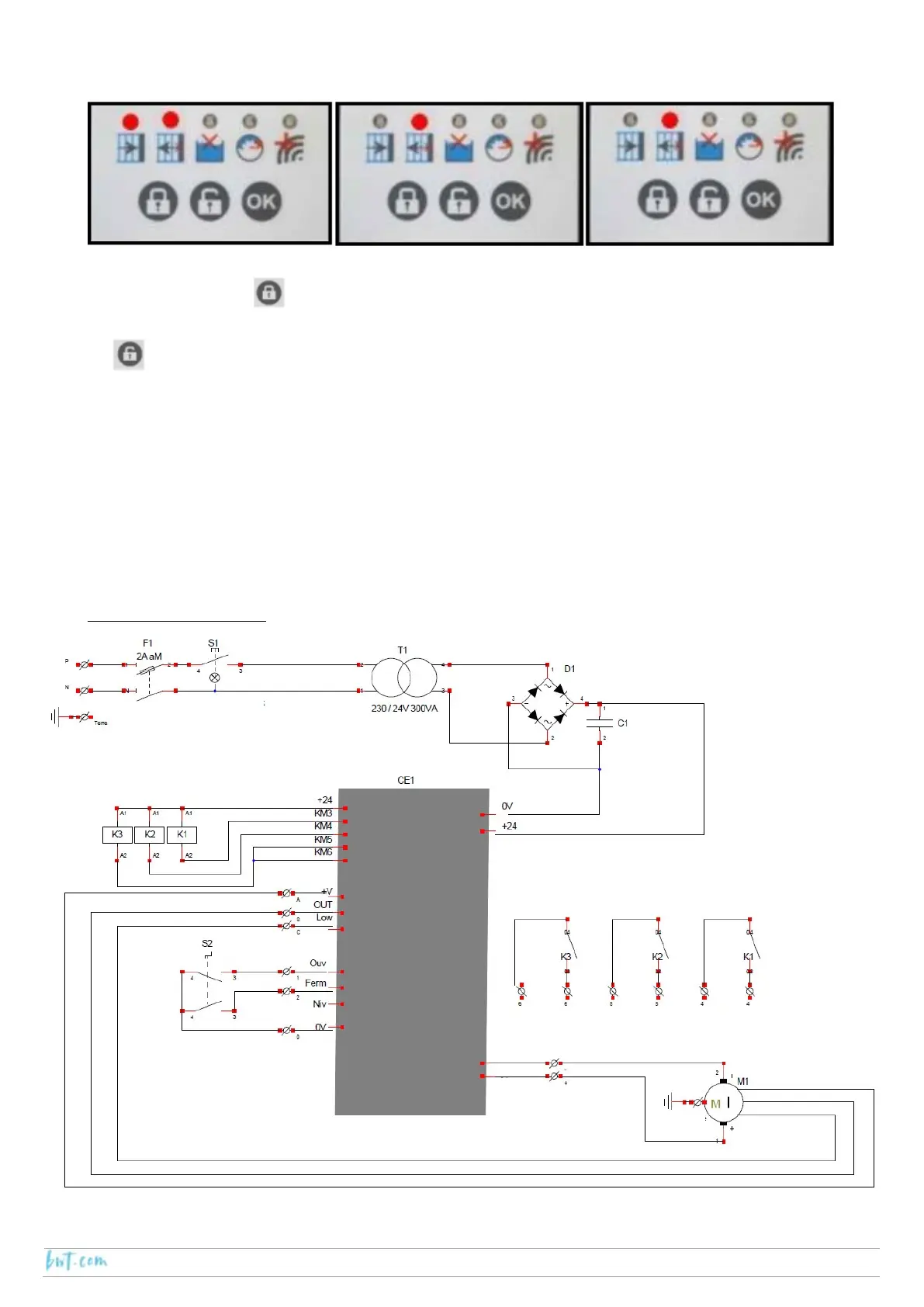
8.3. Programming the ends of travel
Turn the key and hold it in position until the cover apron reaches the side opposite the axle. Validate the pool
closed position by pressing until the LED on the left-hand side begins to blink.
Turn the key and hold it in position until the cover apron is round the axle. Validate the pool open position by
pressing , the left-hand side LED will go out.
Turn the key to close the pool. Hold the key in position until the motor stops. Turn the key in the other direction,
giving it a twist. The 2
nd
LED will blink. After 20 seconds, the LED will go out. Programming is complete.
NOTA BENE: The ends of travel can be deleted from memory in the event of a power outage:
While the cover is in motion, either opening or closing.
If the cover is partially open or partially closed.
In that event, simply reprogram the ends of travel as described previously.
9. Wiring diagram
Light switch
AC closed
AC open
AC closing.
opening
Motor
Motor
Shielding

Table of Contents

Related product manuals