EasyManua.ls Logo

Calorex Pro-Pac PPT45EHC - Circuit Frigorifique

Calorex Pro-Pac PPT45EHC
104 pages
Print Icon
To Next Page IconTo Next Page
To Next Page IconTo Next Page
To Previous Page IconTo Previous Page
To Previous Page IconTo Previous Page
Loading...
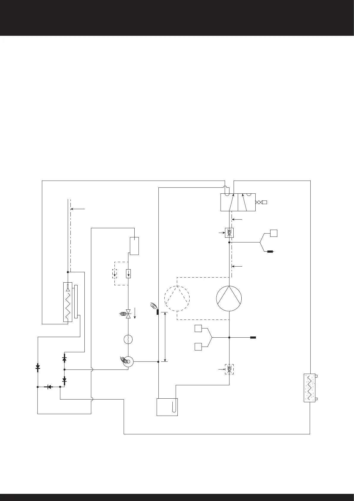
CIRCUIT FRIGORIFIQUE
Pro-Pac CHAUDE/FROIDE CIRCUIT FRIGORIFIQUE
NOTE: LES Pro-PAc 90/140 UTILISENT 2 CIRCUITS FRIGORIFIQUES
LE MONTAGE DES VALVES ANTI-RETOUR
DOIT ÊTRE REALIE COMME PRESENTE
AVEC UN ECOULEMENT HORIZONTAL DU
FLUIDE POUR LA PLUS BASSE.
EVAPORATEUR
POINT D’INJECTION
DU GAZ
ELECTROVANNE
RESERVOIR
BULBE
THERMOSTATIQUE
INDICATEUR DE
LIQUIDE
FERMETURE DE LA
CONDUIT DE FLUIDE
FERMETURE DE LA
CONDUIT DE FLUIDE
DETENDEUR
THERMOSTATIQUE
VALVE
ANTI-
RETOUR
BASE
ACCUMULATEUR D’ASPIRATION
150 MIN
VANNE D’INVERSION
BOBINE
ELIMINATEUR
DE VIBRATION
(ISOLE)
27.5 Bar
HP
COMPRESSEUR
COMPRESSEUR
0.35 Bar
BP
BP
PRESSOSTAT
BASSE PRESSION
1.58 Bar
VALVE A HAUT
PRESSION
INSOLATION SEULEMENT
SUR LES MACHINES Pro-Pac PP140
NE PAS ISOLER LE CONDUIT
SUR LES MACHINES Pro-Pac PP140 SAUF
SI SPECIFIE PAR L’ATALIER
ISOLER LE CONDUIT SEULEMENT
SUR LES MACHINES Pro-Pac PP70
CONDENSEUR ASSEMBLE
(LE NOMBRE DE CONDENSEURS
VARIENT SELON LA MACHINE)
Pro-Pac 70/140
FILTRE
DESHYDRATEUR
FILTRE
DESHYDRATEUR
(Pro-Pac 70/140)
ELIMINATEUR
DE VIBRATION
(ISOLE)
VALVE
ANTI-
RETOUR
VALVE
ANTI-
RETOUR
VALVE
ANTI-
RETOUR
VALVE A BASSE
PRESSION
PRESSOSTAT
LIMITE DE
REFROIDISSEMENT
PRESSOSTAT
HAUT PRESSION
48
SD566250 ISSUE 35
SYSTEME PRO-PAC MANUEL D’INSTALLATION

Related product manuals