EasyManua.ls Logo

Calorex Pro-Pac PPT45EHC - Installation Drawings

Calorex Pro-Pac PPT45EHC
104 pages
Print Icon
To Next Page IconTo Next Page
To Next Page IconTo Next Page
To Previous Page IconTo Previous Page
To Previous Page IconTo Previous Page
Loading...
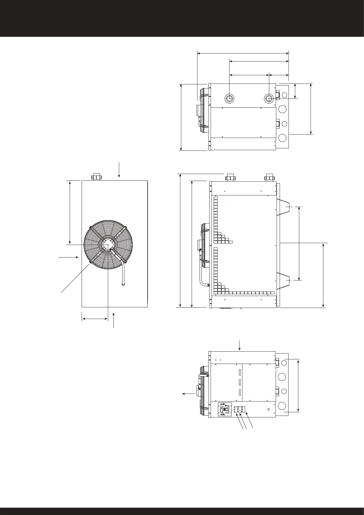
INSTALLATION DRAWINGS
Pro-Pac PPT30
DIMENSIONS IN mm
ALLOW 500mm FOR ACCESS TO SERVICE PANELS
WATER CONNECTIONS 2" UNION SOCKET
CONDENSATE 1.5"
CHILL LIMIT SWITCH
CONSOLE
HP SWITCH
LP SWITCH
AIR IN
AIR OUT
MAINS IN
*683
*FIXING CENTRES TO SECURE MACHINE
IO
SERVICE
PANEL
NOMINAL FAN
DIAMETER 560
SERVICE
PANEL
SERVICE
PANEL
752
316
WATER
OUT
WATER
IN
1585
1486
*880
780
SERVICE
PANEL
1080
232
692
460
176
814
POSITION OF CONDENSATE
DRAIN IN BASE OF MACHINE
617
POSITION OF CONDENSATE
DRAIN IN BASE OF MACHINE
34
SD566250 ISSUE 35
PR0-PAC SYSTEM OWNER INSTALLATION MANUAL

Related product manuals