EasyManua.ls Logo

Calorex Pro-Pac PPT45EHC - Page 25

Calorex Pro-Pac PPT45EHC
104 pages
Print Icon
To Next Page IconTo Next Page
To Next Page IconTo Next Page
To Previous Page IconTo Previous Page
To Previous Page IconTo Previous Page
Loading...
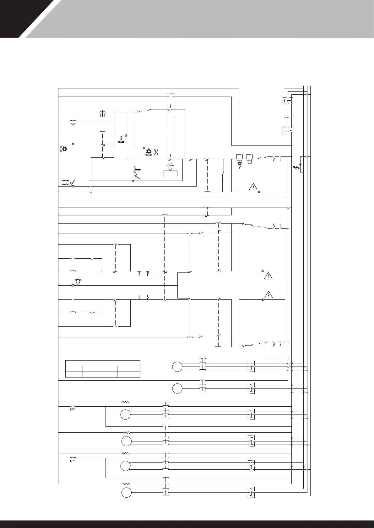
ALL OTHER CONTACTS SHOWN IN DE-ENERGISED STATE
BUT WITH REFRIGERATION CIRCUIT FULLY CHARGED.
WHERE CONTACTS ARE MARKED (N/O) OR (N/C) ON
CIRCUIT DIAGRAM ABOVE CONDITIONS APPLY.
CONTROL
CIRCUIT BREAKER
L3 L2
L1
PHASE
ROTATION RELAY
WATER FLOW
SWITCH
RELAY (R2)
RELAY (R3)
RELAY (R1)
RELAY (R5)
RELAY (R4)
RELAY (R7)
RELAY (R6)
COMP 3
CONTACTOR
COMP 4
CONTACTOR
COMP 1
CONTACTOR
COMP 2
CONTACTOR
COMP
3
COMP 3 HEATER
COMP
4
COMP 4 HEATER
COMP
2
COMP 1 HEATER
COMP 2 HEATER
COMP
1
STANDBY
SWITCH
DIGITAL STAT 2 STAGE
MAKES 7 TO 8 ON TEMP RISING
MAKES 4 TO 6 ON TEMP FALLING
SENSOR
FAULT LIGHT
MAINS LIGHT
FAULT
LIGHT
1
FAULT
LIGHT
2
FLOW OK LIGHT
HEAT
LIGHT
TEMP OK
LIGHT
CHILL LIGHT
CHILL LIMIT
LIGHT
DEFROST
LIGHT
FRIDGE
CIRCUIT 2
DEFROST
STAT
(BREAKS TO 'H'
ON TEMP
FALLING)
FRIDGE CIRCUIT 1
VALVE,COIL
(LIQUID LINE SHUT OFF)
FRIDGE CIRCUIT 2
FRIDGE CIRCUIT 1
CHILL LIMIT PRESSURE
SWITCHES
(BREAK TO H ON TEMP
FALLING)
FAN
1
FAN
2
FAN 1
CONTACTOR
FAN 2
CONTACTOR
DELAY TIMER 1
(12 HOURS)
DELAY TIMER 3
(7 MINS)
DELAY
TIMER 4
(10 SEC)
DELAY TIMER 2
(6 MINS)
FAN 1 CIRCUIT BREAKER
TRIP / OFF = BREAK CONTACT
FAN 2 CIRCUIT BREAKER
TRIP / OFF = BREAK CONTACT
COMP 2 CIRCUIT BREAKER
TRIP / OFF = BREAK CONTACT
COMP 1 CIRCUIT BREAKER
TRIP / OFF = BREAK CONTACT
COMP 4 CIRCUIT BREAKER
TRIP / OFF = BREAK CONTACT
COMP 3 CIRCUIT BREAKER
TRIP / OFF = BREAK CONTACT
COMP 3 MCB
AUX BLOCK
TRIP / OFF =
BREAK CONTACT
COMP 4 MCB
AUX BLOCK
TRIP / OFF =
BREAK CONTACT
COMP 2 MCB
AUX BLOCK
TRIP / OFF =
BREAK CONTACT
COMP 1 MCB
AUX BLOCK
TRIP / OFF =
BREAK CONTACT
FAN 1 MCB AUX
BLOCK : ALARM
TRIP = BREAK CONTACT
STARTER OR
EXTERNAL
FLOW SWITCH
INTERLOCK
TERMINALS
SOFT START
THERMAL
O/LOAD &
FAULT LIGHT IF
FITTED
FAN 1 THERMAL
CUT OUT
FAN 2 MCB AUX
BLOCK : ALARM
TRIP = BREAK CONTACT
FAN 2 THERMAL
CUT OUT
FRIDGE
CIRCUIT 1
DEFROST
STAT
(BREAKS TO
'H' ON TEMP
FALLING)
COMP 1 MOTOR
PROTECTOR
LP SWITCH
(BREAKS ON TO H
PRESSURE FALLING)
COMP 2 MOTOR
PROTECTOR
HP SWITCH
(BREAKS TO L ON
PRESSURE RISING)
COMP 1 MCB AUX BLOCK
TRIP / OFF = BREAK CONTACT
COMP 2 MCB AUX BLOCK
TRIP / OFF = BREAK CONTACT
COMP 3 MOTOR
PROTECTOR
COMP 4 MOTOR
PROTECTOR
LP SWITCH
(BREAKS TO H ON
PRESSURE FALLING)
HP SWITCH
(BREAKS TO L ON
PRESSURE RISING)
COMP 3 MCB AUX BLOCK
TRIP / OFF = BREAK CONTACT
COMP 4 MCB AUX BLOCK
TRIP / OFF = BREAK CONTACT
FRIDGE CIRCUIT 2
REVERSING VALVE
FRIDGE CIRCUIT 1
REVERSING VALVE
OUT 1OUT 2
14 (N/O)
96
(N/C) 95
96
(N/C) 95
TK
TK
(N/C) TK
(N/C) TK
(COM) 1
RUN (N/O) 2
3 (N/C)
STANDBY
6 (COM)
1 (L)(N) 2
(N/O) 4
(N/C) 5
5
TRIP / OFF =
BREAK CONTACT
1
3
2
(N/C)
4
(N/C)
6
(N/C)
L1
L2
L3
11 (COM)
12 (N/C)
AB
4 (N/O)
1 (N/C)
6 (N/O)
3 (N/C)
10
11
(COM) 7
(COM) 9
(COM) C
(N/O) H L (N/C)
AB
(N/C) 1
(N/O) 4 7 (COM)
B
B
1 (N/C)
4 (N/O)
(COM) 7
3 (N/C)
6 (N/O)
(COM) 97 (COM)
(N/O) 4
(N/C) 1
(COM) C
(N/O) H L (N/C)
A
A
1 (N/C)
(COM) 7 4 (N/O)
34
(N/C) 33
15 (COM)
18 (N/O)
16 (N/C)
A2A1
A1A2
A1 A2 (COM) 9
34
33 (N/C)
3 (N/C)
6 (N/O)
15 (COM)
16 (N/C)
18 (N/O)
A1A2
43
(N/C) 44
(COM) C
(N/O) L
H
(N/C)
(COM) C
(N/O) H
L
(N/C)
AB 15 (COM)
18 (N/O)
16 (N/C)
A1A2
1
3
5
(N/C) 2
(N/C) 4
(N/C) 6
1
3
5
(N/O) 2
(N/O) 4
(N/O) 6
A2A1
1
3
5
(N/C) 2
(N/C) 4
(N/C) 6
1
3
5
(N/O) 2
(N/O) 4
(N/O) 6
A2A1
1
3
5
(N/C) 2
(N/C) 4
(N/C) 6
1
3
5
(N/O) 2
(N/O) 4
(N/O) 6
21 (AUX)
(N/C) 22
1
3
5
(N/C) 2
(N/C) 4
(N/C) 6
1
3
5
(N/O) 2
(N/O) 4
(N/O) 6
21 (AUX)(N/C) 22
6
5
43
44 (N/C)
C (COM)
L (N/O)
C (COM)
H (N/O)
H (N/C)
L (N/C)
U
V
W
U
V
W
63 (AUX)(N/O) 64
63 (AUX)(N/O) 64
BREAKS ON WATER
FLOW RATE FALLING
(N/C) 1
(N/O) 4 7 (COM)
AB
7 (COM)(N/O) 8
(N/C) 9
(COM) C
(N/O) H
L (N/C)
(COM) C
(N/O) H L (N/C)
6 (N/O)
9 (COM)
3 (N/C)
AB
(N/C)
4 (N/O)
7 (COM)
1 (N/C)
(N/C) (N/C)
8
7
1
3
5
(N/C) 2
(N/C) 4
(N/C) 6
1
3
5
(N/O) 2
(N/O) 4
(N/O) 6
21 (AUX)(N/C) 22
1
3
5
(N/C) 2
(N/C) 4
(N/C) 6
1
3
5
(N/O) 2
(N/O) 4
(N/O) 6
21 (AUX)(N/C) 22
U
V
W
U
V
W
63 (AUX)(N/O) 64
63 (AUX)(N/O) 64
A2A1
(N/O)
A2A1
COMPRESSOR 4
CONTACTOR
(N/O)
34
(N/C) 33
34
33 (N/C)
43
44 (N/C)
43
(N/C) 44
(N/C)(N/C)
CONTROL
2.5A
MCB SETTINGS
FANS 1 AND 2
4.5A
COMPRESSORS 1 TO 4
32.0A
FRIDGE CIRCUIT 2
VALVE,COIL
(LIQUID LINE SHUT OFF)
DELAY
TIMER 5
(10 SEC)
FRIDGE CIRCUIT 1 FRIDGE CIRCUIT 2
COMPRESSOR 3
CONTACTOR
COMPRESSOR 1
CONTACTOR
COMPRESSOR 2
CONTACTOR
NOTES
MCB CONTACTS / MCB ALARM CONTACTS / MCB AUX CONTACTS SHOWN WITH CIRCUIT
BREAKER MANUALLY SWITCHED TO THE ON CONDITION.
WATER FLOW SWITCH CONTACTS SHOWN WITH WATER FLOW AT MAXIMUM RATE.
PP140(T)EHC THREE PHASE (200V 3 ~ 60Hz)
25
SD566250 ISSUE 35

Related product manuals