EasyManua.ls Logo

Cameron BARTON 289A - Page 13

Cameron BARTON 289A
75 pages
Print Icon
To Next Page IconTo Next Page
To Next Page IconTo Next Page
To Previous Page IconTo Previous Page
To Previous Page IconTo Previous Page
Loading...
13
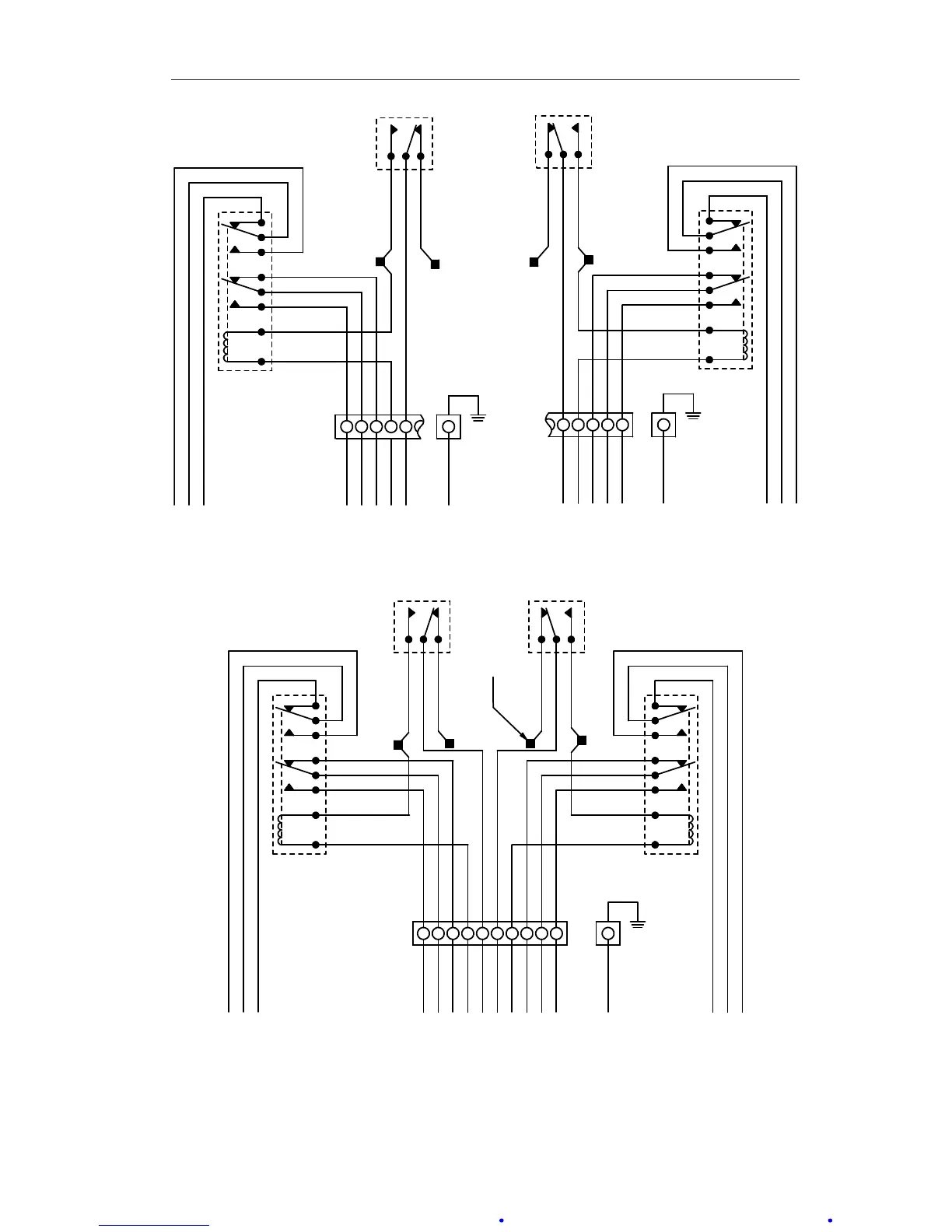
Model 289A Differential Pressure Indicating Switch Section 2
HIGH SWITCH
WITH DPDT RELAY
NO
6
7 8 9 10
C
NC
NO
C
NC
BLACK
VIOLET
ORANGE
WHITE/BLACK
WHITE/VIOLET
WHITE/ORANGE
WHITE/GRAY
WHITE/GRAY
VIOLET
WHITE
BLACK
GRAY
WHITE/GRAY
GRAY
CASE GROUND
GREEN
WHITE/GRAY
ORANGE
NO
C
NC
LOW SWITCH
WITH DPDT RELAY
NO
1
2 3 4 5
C
NC
NO
C
NC
RED
YELLOW
BLUE
WHITE/RED
WHITE/YELLOW
WHITE/BLUE
WHITE/BROWN
WHITE/BROWN
WHITE/BROWN
WHITE/BROWN
BROWN BROWN
WHITE
RED
CASE GROUND
GREEN
YELLOW
BLUE
NO C NC
NO
1
2 3 4 5
C
NC
NO
C
NC
RED
YELLOW
BLUE
WHITE/RED
WHITE/YELLOW
WHITE/BLUE
WHITE/BROWN
WHITE/BROWN
WHITE/BROWN
WHITE/BROWN
BROWN
BROWN
WHITE
RED
CASE GROUND
GREEN
YELLOW
BLUE
NO C NC
LOW & HIGH SWITCHES
WITH DPDT RELAYS
NO
6
7 8 9 10
C
NC
NO
C
NC
BLACK
VIOLET
ORANGE
WHITE/BLACK
WHITE/VIOLET
WHITE/ORANGE
WHITE/GRAY
WHITE/GRAY
VIOLET
WHITE
BLACK
GRAY
WHITE/GRAY
GRAY
WHITE/GRAY
ORANGE
NO
C
NC
WIRE NUT
(TYPICAL)
Figure 2.6—Low/high switch(es) w/DPDT relay(s) diagrams
(current conguration color codes - see Table 2.1, page 8)

Table of Contents

Other manuals for Cameron BARTON 289A

Related product manuals