EasyManua.ls Logo

Cameron BARTON 289A - 3-3;4-Inch Diameter Bellows with Kickoff Spring

Cameron BARTON 289A
75 pages
Print Icon
To Next Page IconTo Next Page
To Next Page IconTo Next Page
To Previous Page IconTo Previous Page
To Previous Page IconTo Previous Page
Loading...
A-23
Model 199 Differential Pressure Unit (DPU) Section 4
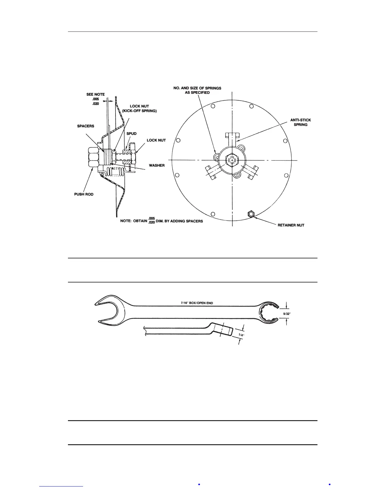
3-3/4-inch Diameter Bellows with Kickoff Spring
The kickoff spring (also referred to as the "anti-stick" spring) is supplied as
standard equipment with 46" w.c. and lower range DPUs.
Figure 4.2—Kickoff spring assembly
IMPORTANT: The lock nut requires a modied 7/16", 12-point box wrench for tighten-
ing (Figure 4.3).
Figure 4.3—Wrench modication
1. Remove the instrument from service. Set the pointer at zero using the
instrument zero adjustment.
2. Remove the pressure housing bolts and remove the low-pressure housing.
3. With the pointer set at zero, remove the lock nut, spring retainer nuts,
washer and lock nut, and range spring assembly.
IMPORTANT: The pointer will shift from zero. This is a normal action and the pointer
should not be readjusted at this time.

Table of Contents

Other manuals for Cameron BARTON 289A

Related product manuals