EasyManua.ls Logo

Cameron BARTON 289A - Section 5-Installation;Dimensional Drawings; Table 5.1-Model 289 A Dimensions

Cameron BARTON 289A
75 pages
Print Icon
To Next Page IconTo Next Page
To Next Page IconTo Next Page
To Previous Page IconTo Previous Page
To Previous Page IconTo Previous Page
Loading...
35
Model 289A Differential Pressure Indicating SwitchSection 5
Section5—Installation/DimensionalDrawings
IMPORTANT: For DPU dimensional information, refer to the Model 199 DPU user
manual in Appendix A.
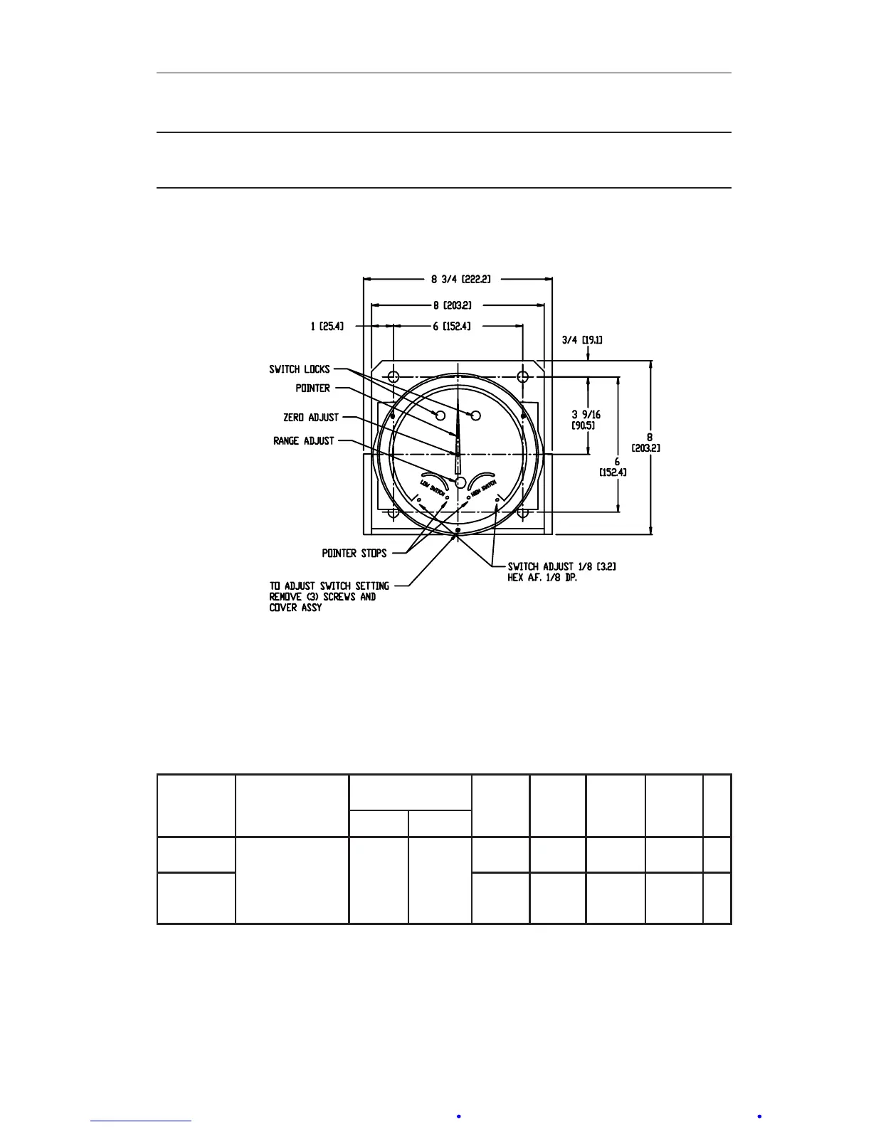
Figure 5.1—Model 289A, front view
Table 5.1—Model 289A Dimensions
(seeFigures5.2and5.3,page36)
PRESSURE
RATING
PSI
(MPa)
HOUSING
MATERIAL
PRESSURE
CONNECTION
DIM. A
INCHES
(mm)
DIM. B
INCHES
(mm)
DIM. C
INCHES
(mm)
DIM. D
INCHES
(mm)
# BOLTS
TOP BOTTOM
1,000
(6.9)
FORGED STNL
ST 316
1/2" NPT
1/4" NPT
1/4" NPT
1/2" NPT
1/4" NPT
1/2" NPT
1/4" NPT
1/2" NPT
9-29/32
(251.6)
6-5/8
(168.3)
2
(50.8)
2-9/64
(51.2)
12
3,000
(20.7)
10-5/32
(257.9)
7-1/8
(181.0)
2
(50.8)
2-9/64
(51.2)
12
NOTES:
Cast aluminum pipe mount supplied, unless otherwise specied. Specify pipe size when ordering threaded steel
adapter.
Metric conversions are approximate.

Table of Contents

Other manuals for Cameron BARTON 289A

Related product manuals