EasyManua.ls Logo

Cameron BARTON 289A - Figure 5.2-Model 289 A, side view; Figure 5.3-Model 289 A, rear view

Cameron BARTON 289A
75 pages
Print Icon
To Next Page IconTo Next Page
To Next Page IconTo Next Page
To Previous Page IconTo Previous Page
To Previous Page IconTo Previous Page
Loading...
36
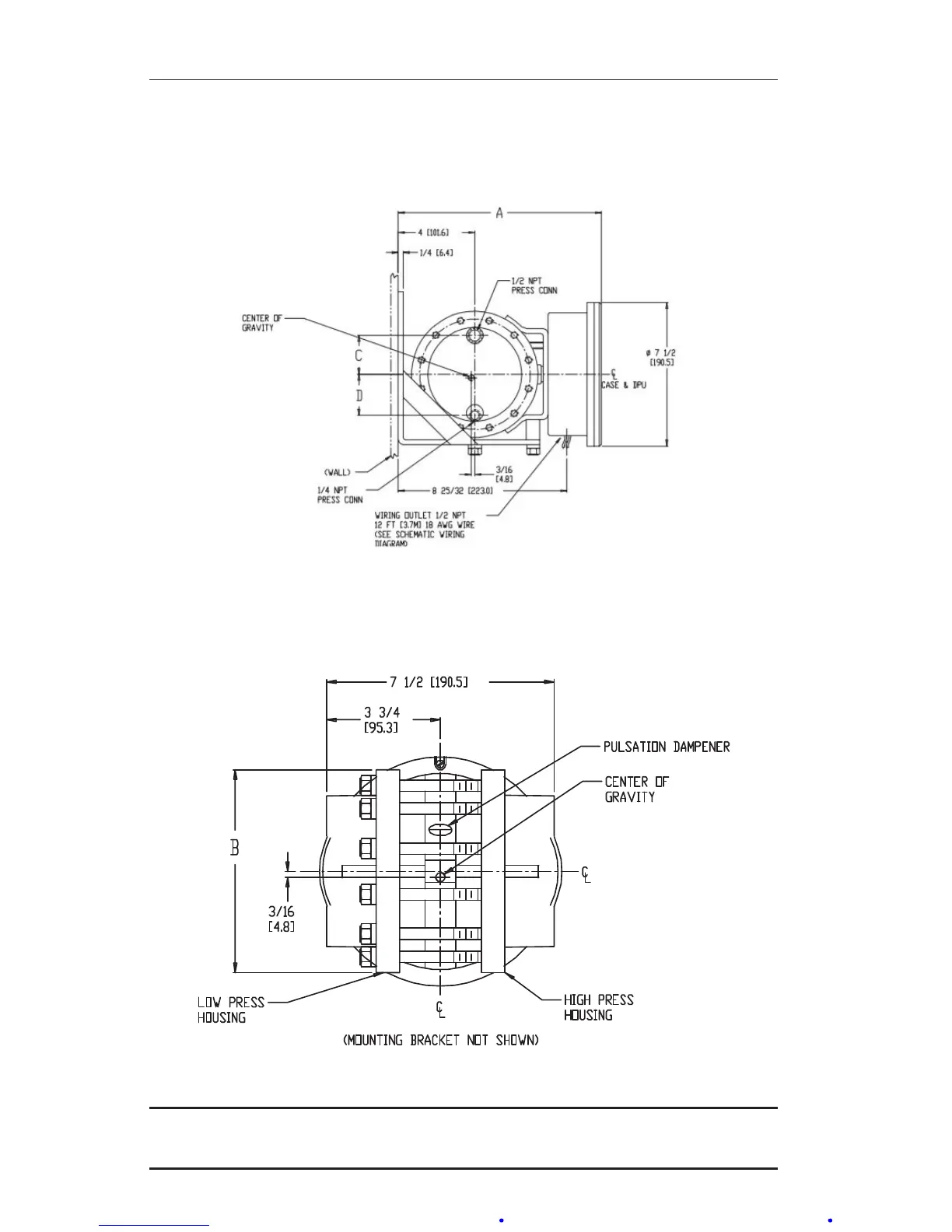
Section 5 Model 289A Differential Pressure Indicating Switch
Figure 5.2—Model 289A, side view; see Table 5.1, page 35 for dimensions A, C and D
Figure 5.3—Model 289A, rear view; see Table 5.1, page 35 for dimension B
IMPORTANT: Model 289A version congurations are limited to nuclear applications;
also refer to the Model 199 DPU user manual in Appendix A.

Table of Contents

Other manuals for Cameron BARTON 289A

Related product manuals