EasyManua.ls Logo

CEA DIGITECH 400 PULSED - Schema Elettrico DIGITECH 400 PULSED; Wiring Diagram DIGITECH 400 PULSED

CEA DIGITECH 400 PULSED
Print Icon
To Next Page IconTo Next Page
To Next Page IconTo Next Page
To Previous Page IconTo Previous Page
To Previous Page IconTo Previous Page
Loading...
86
2101W831
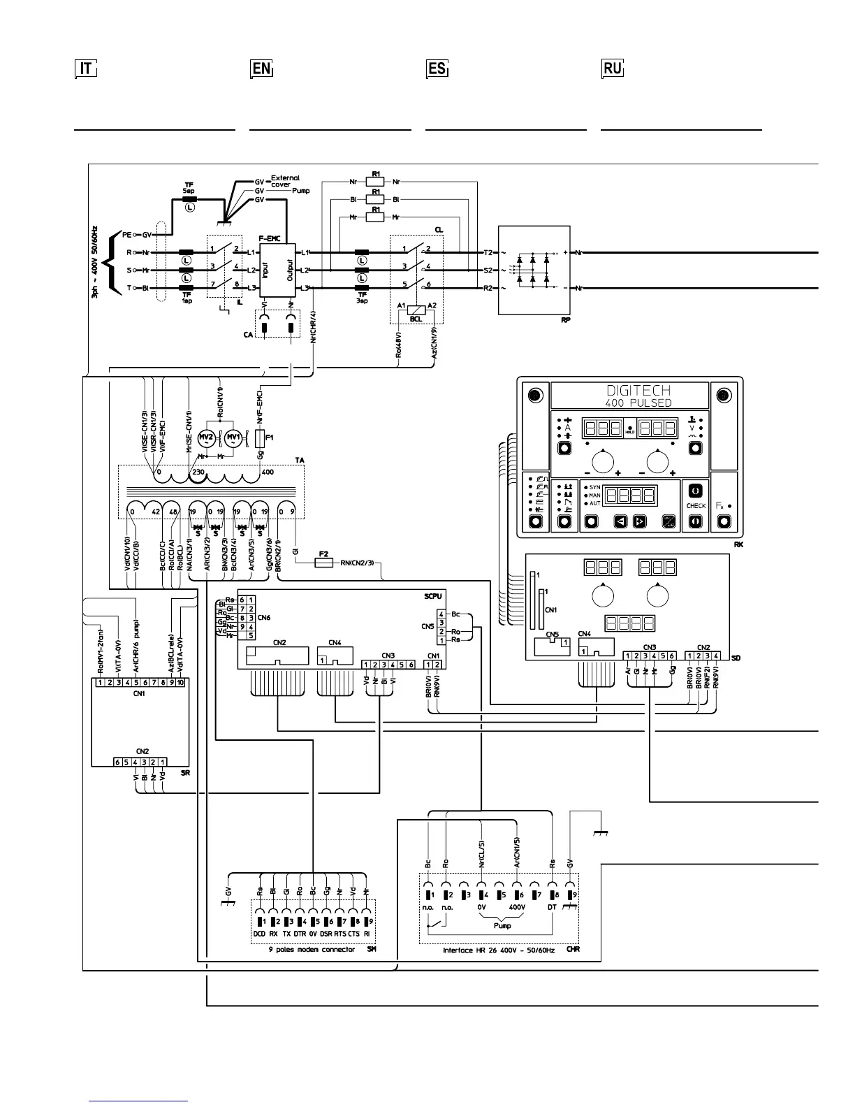
Schema elettrico
DIGITECH 400 PULSED
Wiring diagram
DIGITECH 400 PULSED
Электрическая
схема
DIGITECH 400 PULSED
Esquema
eléctrico
DIGITECH 400 PULSED

Table of Contents

Related product manuals