EasyManua.ls Logo

CEA Matrix 250 E - Wiring Diagram

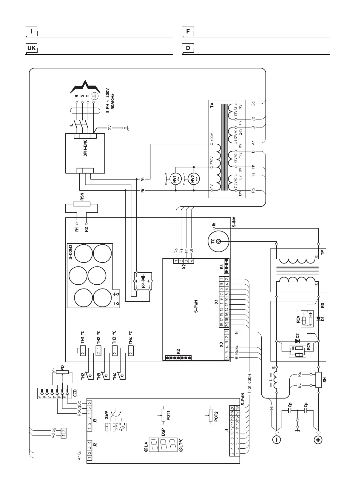
CEA Matrix 250 E
Print Icon
To Next Page IconTo Next Page
To Next Page IconTo Next Page
To Previous Page IconTo Previous Page
To Previous Page IconTo Previous Page
Loading...
76
Schema elettrico
Wiring diagram
Schéma électrique
Schaltplan
2101F500

Table of Contents

Related product manuals