EasyManua.ls Logo

CEA Matrix 250 E - Elektiska Schema; Ηλεκτρικών Ιαγραµµάτων

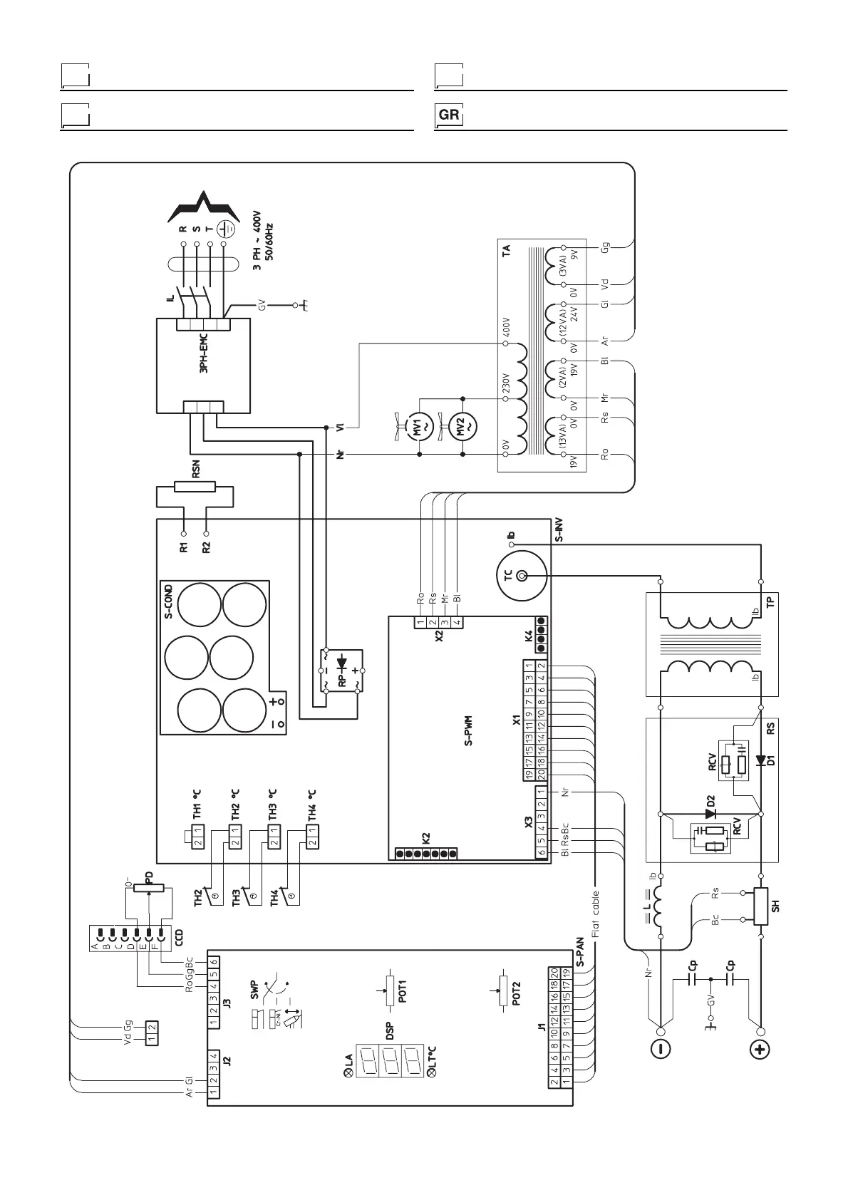
CEA Matrix 250 E
Print Icon
To Next Page IconTo Next Page
To Next Page IconTo Next Page
To Previous Page IconTo Previous Page
To Previous Page IconTo Previous Page
Loading...
80
Elektiska schema
Sähkökaavio
Elektriske skjema
Ηλεκτρικών ιαγραµµάτων
S
SF
N
2101F500

Table of Contents

Related product manuals