EasyManua.ls Logo

Chery A11 2003 - Page 452

Chery A11 2003
784 pages
Print Icon
To Next Page IconTo Next Page
To Next Page IconTo Next Page
To Previous Page IconTo Previous Page
To Previous Page IconTo Previous Page
Loading...
CHERY AUTOMOBILE CO., LTD Automatic Transmission Fault Diagnosis Manual
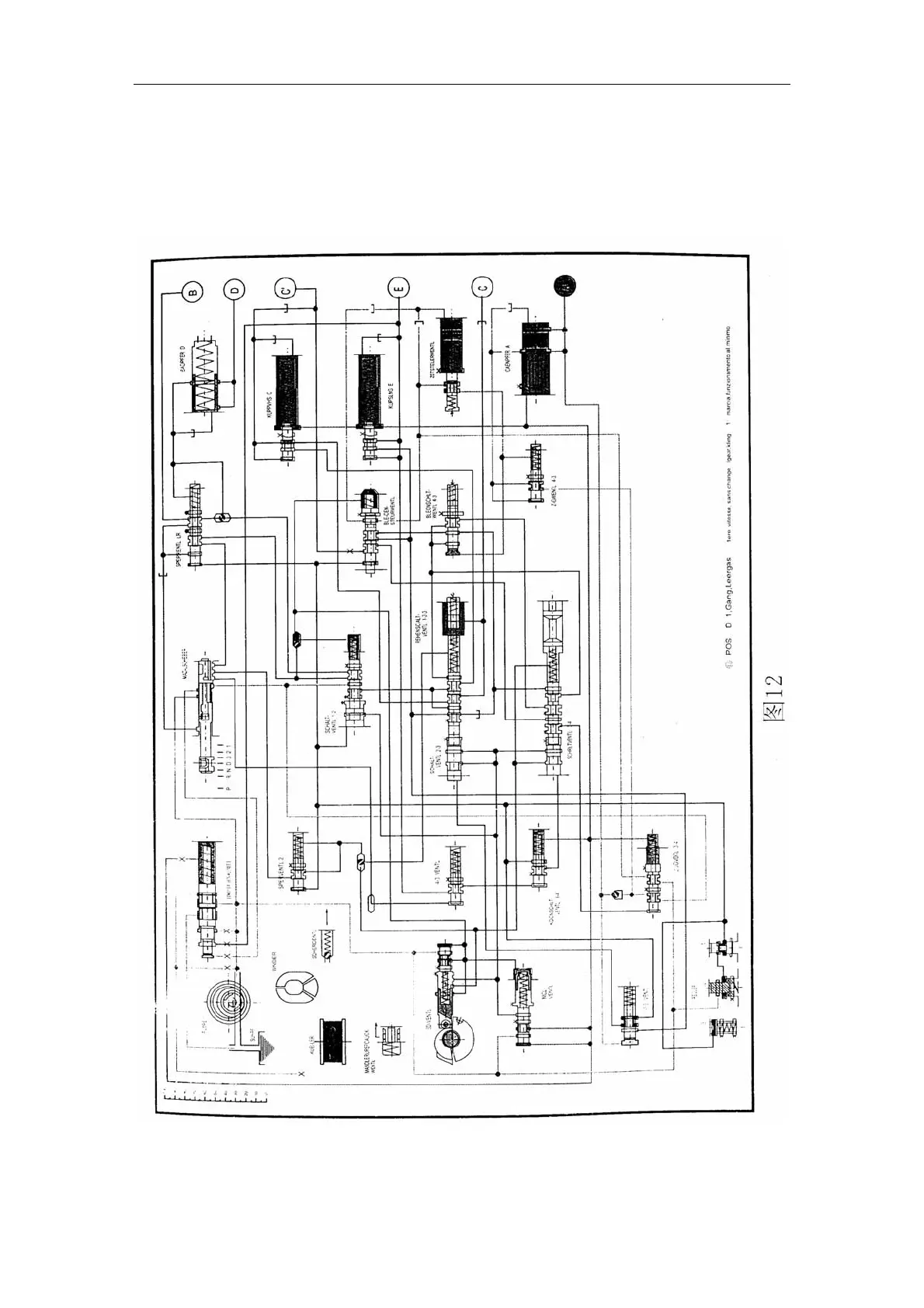
DIAGRAM 12
20

Table of Contents

Related product manuals