EasyManua.ls Logo

Chery A11 2003 - MPI ELECTRONIC INJECTION (EJ)(Motorola)

Chery A11 2003
784 pages
Print Icon
To Next Page IconTo Next Page
To Next Page IconTo Next Page
To Previous Page IconTo Previous Page
To Previous Page IconTo Previous Page
Loading...
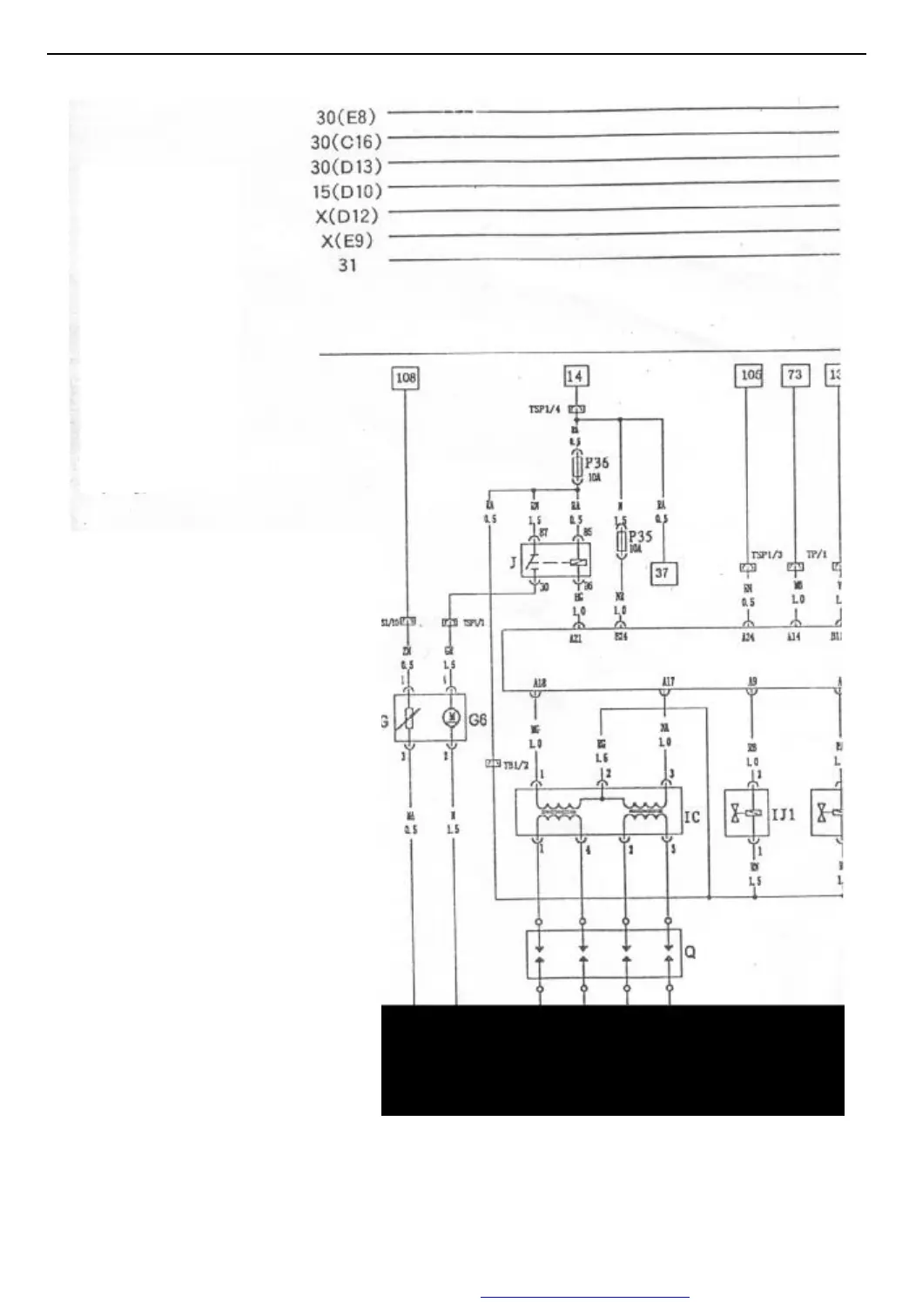
A11-2002 CIRCUIT MANUAL
2
MPI ELECTRONIC INJECTION (EJ)(Motorola)
B=White
N=Black
R=Red
M=Brown
V=Green
A=Blue
H=Grey
Z=Purple
G=Yellow
J=Orange
F=Pink
J Power Relay
P35 ECU Fuse
P36 Power Fuse
M Idle Step Motor
KS Knock Sensor
TW Crankshaft Position Sensor
IC Ignition Coil
Q Spark Plug
IJ 1-4 Fuel Injector
QS Oxygen Sensor
BC Water Temperature Sensor
TP Throttle Position Sensor
TC Air Intake Temperature Sensor
G Fluid Level Sensor
G6 Fuel Pump
TK Diagnosis Socket
TD Spare Socket
TB Oil Pump Connector
(4) Ground on Engine
(4)a ground on Air Intake Manifold
PDF 文件使用 "pdfFactory Pro" 试用版本创建 www.fineprint.com.cn

Table of Contents

Related product manuals