EasyManua.ls Logo

Chery A11 2003 - A;C Unit, Control Head, Cooling System

Chery A11 2003
784 pages
Print Icon
To Next Page IconTo Next Page
To Next Page IconTo Next Page
To Previous Page IconTo Previous Page
To Previous Page IconTo Previous Page
Loading...
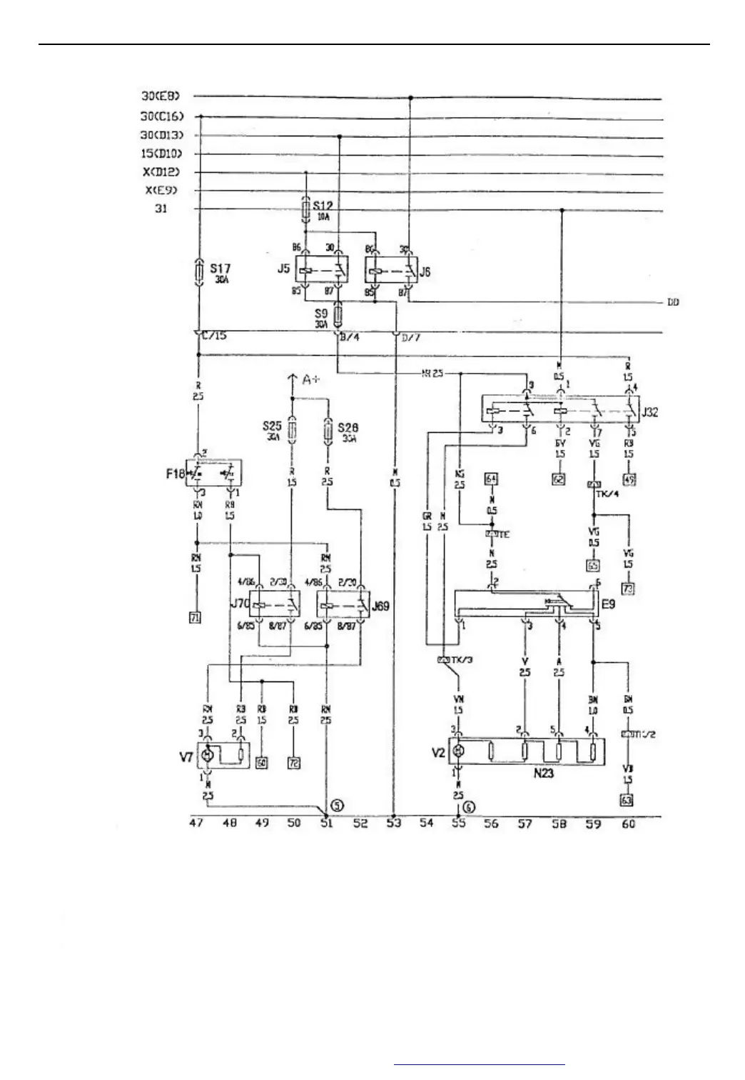
A11-2002 CIRCUIT MANUAL
4
A/C UNIT, CONTROL HEAD, COOLING SYSTEM
B=White
N=Black
R=Red
M=Brown
V=Green
A=Blue
H=Grey
Z=Purple
Y=Yellow
A+ battery positive
E9 blower switch
F18 thermo switch
N23 blower in
-line speed
Regulator resistance
V2 blower
V7 fan motor
J32 A/C relay
J69 Cooling fan high-speed relay
J70 Cooling fan low speed relay
J5 A/C blower relay (in electrical box)
J6 Rear Window preheat relay
(5) Ground, in boot I wiring harness
(6)
Ground, on ground carrier beside
central electrical box
PDF 文件使用 "pdfFactory Pro" 试用版本创建 www.fineprint.com.cn

Table of Contents

Related product manuals