EasyManua.ls Logo

Cleaver-Brooks CB780 - Wiring Cb780;Cb784

Cleaver-Brooks CB780
61 pages
Print Icon
To Next Page IconTo Next Page
To Next Page IconTo Next Page
To Previous Page IconTo Previous Page
To Previous Page IconTo Previous Page
Loading...
750-166 1-13
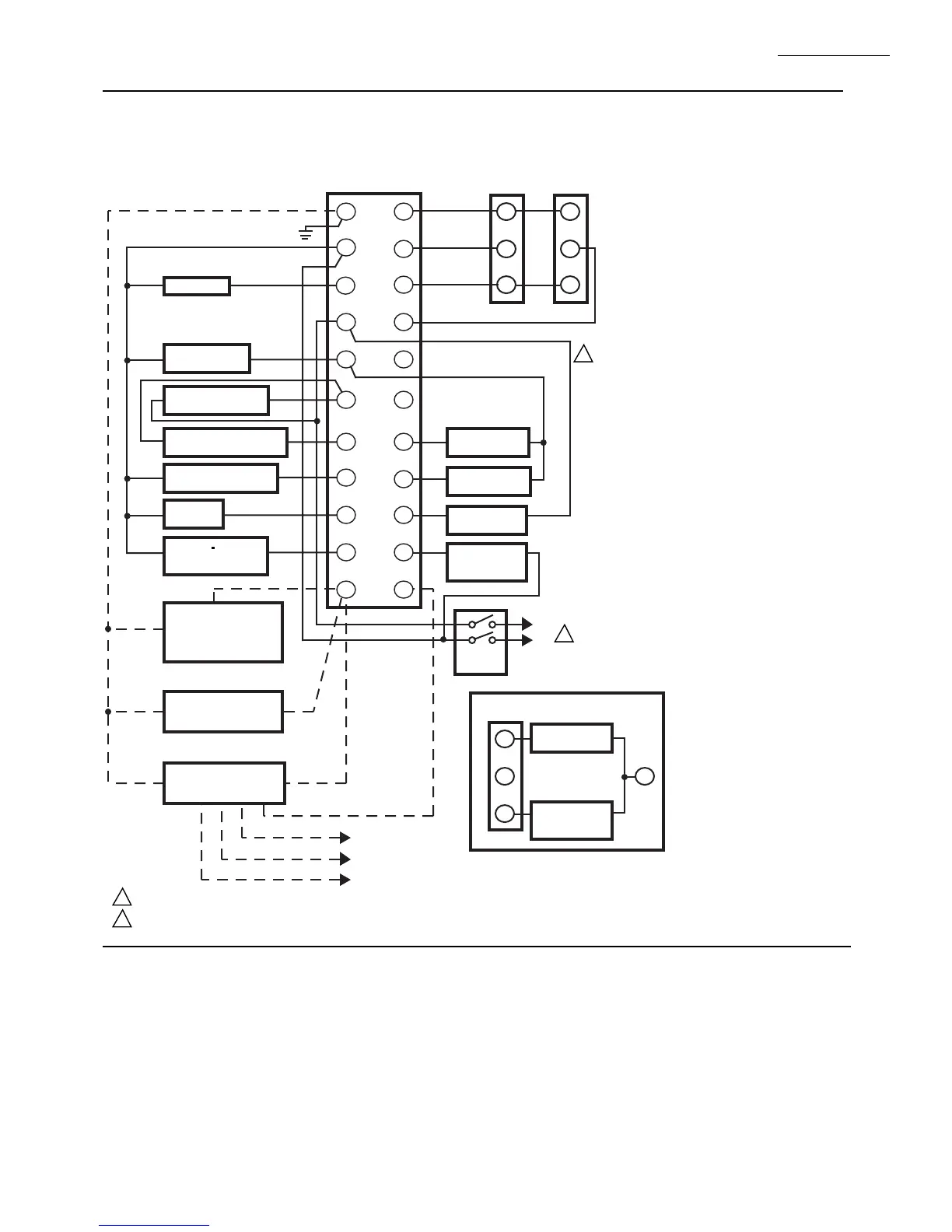
CB780/CB784
WIRING
FIG. 7—WIRING CB780/CB784
M7408
G
L2
3
4
5
6
7
8
9
10
F
(L1)
13
14
15
16
17
18
19
20
21
22
12
LOCKOUT INTERLOCKS
(INC. AIR FLOW SWITCH)
MASTER
SWITCH
LOW FIRE
START SWITCH
5 SECOND IGNITION
(EARLY SPARK)t
(TERMINATION)
MAIN FUEL
VALVE(S)
BURNER
CONTROLLER/LIMITS
BURNER MOTOR
(BLOWER)
HIGH FIRE
COMMON
LOW FIRE
MODULATE
120V ALARM
10 SEC. INTERRUPTED
PILOT/IGNITION
PREIGNITION
INTERLOCK
SERIES 90
FIRING RATE
MOTOR
SERIES 90
CONTROLLER
817-1742
INFRARED
(LEAD SULFIDE)
FLAME DETECTOR
817-1743
ULTRAVIOLET
FLAME DETECTOR
817-1121
ULTRAVIOLET
FLAME DETECTOR
120V, 60 Hz POWER SUPPLY. PROVIDE DISCONNECT MEANS AND OVERLOAD PROTECTION AS REQUIRED.
DO NOT WIRE TO ANY UNUSED TERMINALS.
FOR DIRECT SPARK IGNITION (OIL
OR GAS)
IGNITION
TRANSFORMER
2ND STAGE
FUEL VALVE
(OPTIONAL)
R
W
B
R
W
B
L1
(HOT)
L2
1
OR
OR
BLUE
BLUE
WHITE
YELLOW
L2
WHITE
WHITE
BLACK
BLACK
L1
L2
8
9
10
L2
833-2725
2
15 SEC.
INTERRUPTED
PILOT VALVE
2
1
HIGH FIRE
PURGE SWITCH
(EARLY SPARK
TERMINATION)

Table of Contents