EasyManua.ls Logo

Clevo PB50EF - Page 93

Clevo PB50EF
140 pages
Print Icon
To Next Page IconTo Next Page
To Next Page IconTo Next Page
To Previous Page IconTo Previous Page
To Previous Page IconTo Previous Page
Loading...
5
5
4
4
3
3
2
2
1
1
D D
C C
B B
A A


SATA HDD CONN
20180726
Change from M5938 to SY6288E1
20180424 Add to Control HDD RTD3
MLCC Comm part
20180502
Follow common design
BY
ἧ䓐䘬廠↢暣⡻ 婧㔜
,
ὅ≇䌯
(
旣ῤ
&
⊭墅⣏⮷
)
㓦暣徜嶗 枸䔁ᶵᶲ
SATA_5VS
2.5A
2.5A
W/O RTD3
SUPPORT RTD3
ON
D02 1003A
follow
ℙ䓐
stuff
D02 1003A follow
ℙ䓐
1u change to 0.1u
SATA_5VS
5VS
SATA_5VS
SATA_5VS
3.3VS
SATA0B_RXP_HDD 37
SATA0B_RXN_HDD 37
SATA0B_TXN_HDD 37
SATA0B_TXP_HDD 37
3.3VS8,9,10,11,12,13,14,29,34,35,37,38,39,40,43,46,47,53,54,55,56,57,60,63,64,70,71,77
5VS11,12,28,31,47,54,56,57,63,64
SUSB12,64
SATA_PWR_EN35
Title
Size Document Number Rev
Date: Sheet
of
6-71-PB500-D03
D03
07-02 HDD PORT
A4
44 91Friday, December 07, 2018
ᙔ!Ϻ!ႝ!တ!!DMFWP!DP/
PB50EF
Title
Size Document Number Rev
Date: Sheet
of
6-71-PB500-D03
D03
07-02 HDD PORT
A4
44 91Friday, December 07, 2018
ᙔ!Ϻ!ႝ!တ!!DMFWP!DP/
PB50EF
Title
Size Document Number Rev
Date: Sheet
of
6-71-PB500-D03
D03
07-02 HDD PORT
A4
44 91Friday, December 07, 2018
ᙔ!Ϻ!ႝ!တ!!DMFWP!DP/
PB50EF
R420 4.7K_04
HDD W/ RTD3
C1578 0.01u_16V_X7R_04
C1167
10u_6.3V_X5R_06
HDD W/ RTD3
C1565
0.1u_6.3V_X5R_02
C1573 0.01u_16V_X7R_04
J1 3mm
HDD W/O RTD3
1 2
C1564
1u_6.3V_X5R_02
R424
*220_06
HDD W/ RTD3
U29
SY6288E1AAC
PCB Footprint = M-SOT23-5
HDD W/ RTD3
VOUT
1
VIN
5
GND
2
EN
4
OC#
3
C1163
22u_6.3V_X5R_06
C1577 0.01u_16V_X7R_04
J_HDD1
FP225H-010S10M
PCB Footprint = FP225H-010-xxxM
P/N = 6-20-94K10-010
1
2
3
4
5
6
7
8
9
10
NC1
NC2
C1165
0.1u_6.3V_X5R_02
HDD W/ RTD3
C1164
22u_6.3V_X5R_06
Q30
*UK3018 2.5V drive
HDD W/ RTD3
G
DS
C1576 0.01u_16V_X7R_04
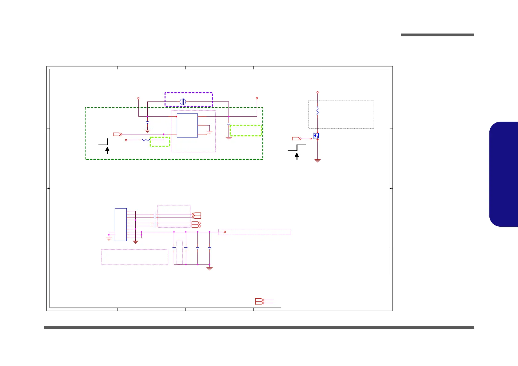
Schematic Diagrams
HDD Port B - 45
B.Schematic Diagrams
HDD Port
Sheet 44 of 91
HDD Port

Table of Contents

Related product manuals