EasyManua.ls Logo

ClimateMaster tranquility 30 - DXM2 Wiring Diagram with Motorized Modulating Water Valve - 96 B0005 N62 - Part 1 of 2

ClimateMaster tranquility 30
60 pages
Print Icon
To Next Page IconTo Next Page
To Next Page IconTo Next Page
To Previous Page IconTo Previous Page
To Previous Page IconTo Previous Page
Loading...
32
Geothermal Heat Pump Systems
PRELIMINARY
Tranquility
®
30 Digital (TE) Series IOM - 60Hz HFC-410A
Rev.: 3 Aug., 2012B
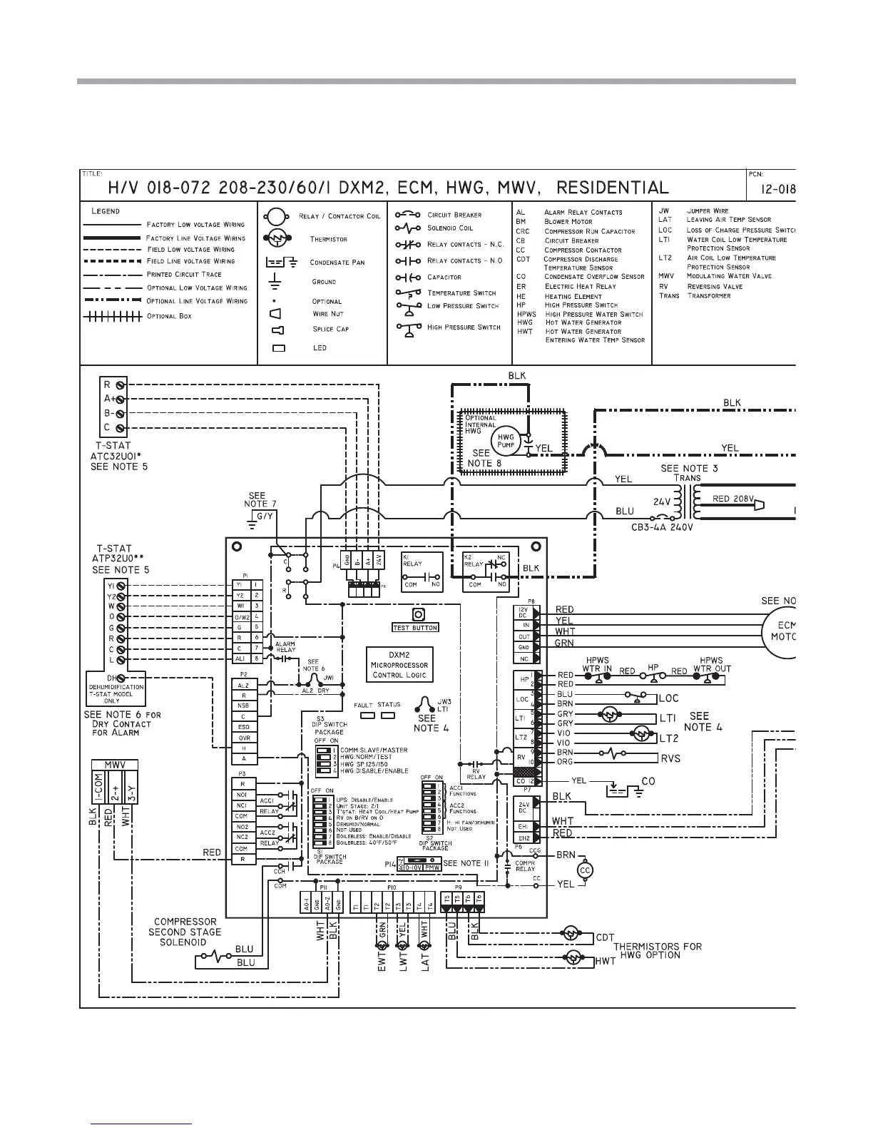
DXM2 Wiring Diagram with Motorized Modulating Water Valve -
96B0005N62 - Part 1 of 2
This diagram includes typical wiring details but is not applicable to all units. For speci c unit wiring, refer to the diagram or the
units’ control panel.

Related product manuals