EasyManua.ls Logo

Climax BB6100 - RDU Setup

Climax BB6100
136 pages
Print Icon
To Next Page IconTo Next Page
To Next Page IconTo Next Page
To Previous Page IconTo Previous Page
To Previous Page IconTo Previous Page
Loading...
Page 24 BB6100 Operating Manual
Do the following:
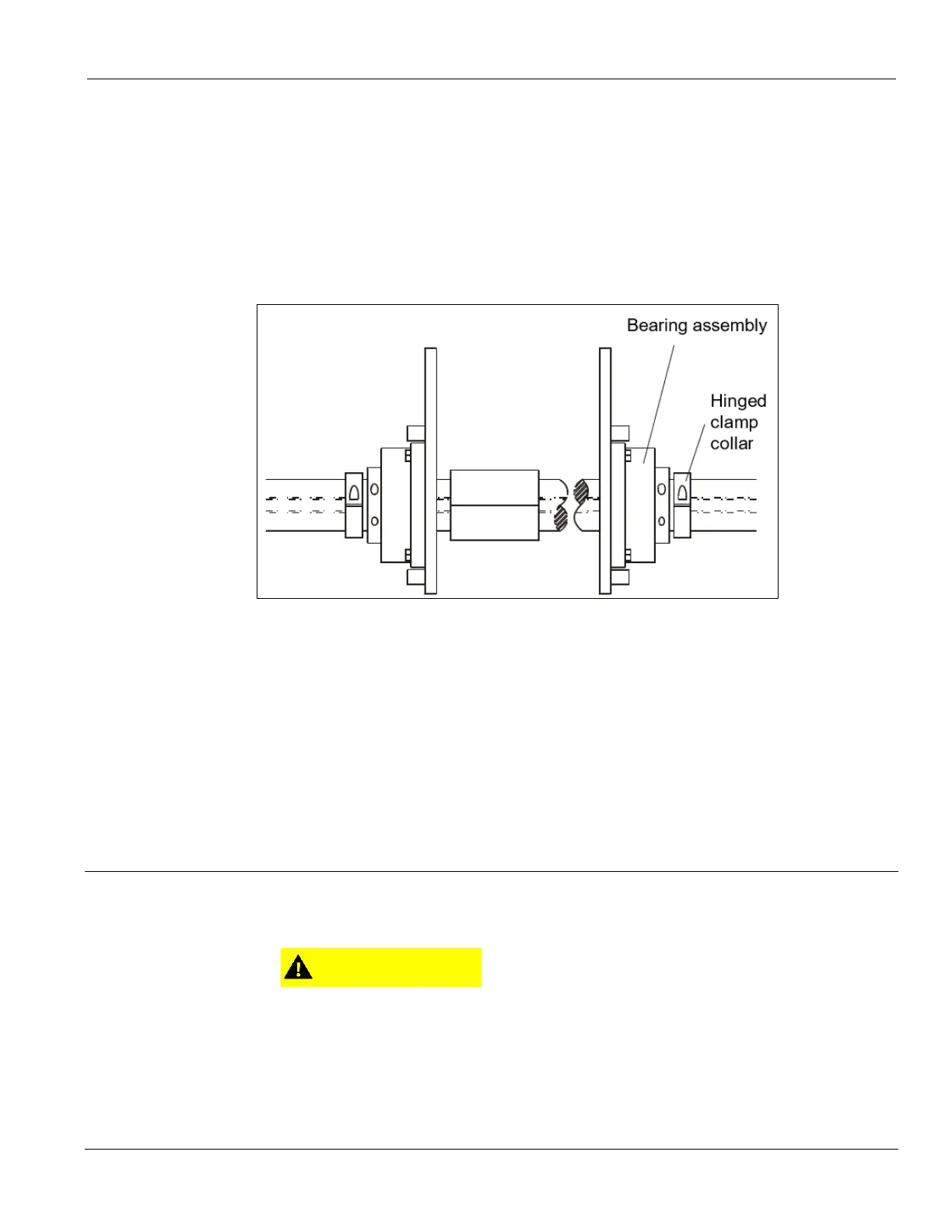
1. Determine if the hinged clamp collars are to be mounted to the inside or outside
of the bearing supports. Both collars must be either inside or outside the mount
bearings.
2. Set up the bar and bearings as described. See Section 3.3 on page 16.
FIGURE 5. ID-MOUNT BEARING SUPPORT ASSEMBLY (LEFT) AND HINGED CLAMP COLLAR (RIGHT)
3. Mount the hinged clamp collar to the bar and tighten it.
4. Slide the bar through the bearing assemblies until the collar is against the
bearings.
5. Tightly clamp the modified collar onto the bar on opposite side (either outside or
inside).
6. Tighten the collar tensioning screws until there is slight resistance on the screws.
7. Rotate the bar by hand and check for resistance. If the bar will not rotate, back off
the screws in the hinged clamp collar.
3.6 RDU Setup
The RDU can be placed anywhere along the boring bar.
CAUTION
The boring bar is not hardened. To prevent damage to the bar, do
not strike it against the bearing supports or the work piece.

Table of Contents

Related product manuals