EasyManua.ls Logo

Climax BB6100 - Page 85

Climax BB6100
136 pages
Print Icon
To Next Page IconTo Next Page
To Next Page IconTo Next Page
To Previous Page IconTo Previous Page
To Previous Page IconTo Previous Page
Loading...
P/N 57017, Rev. 3 Page 79
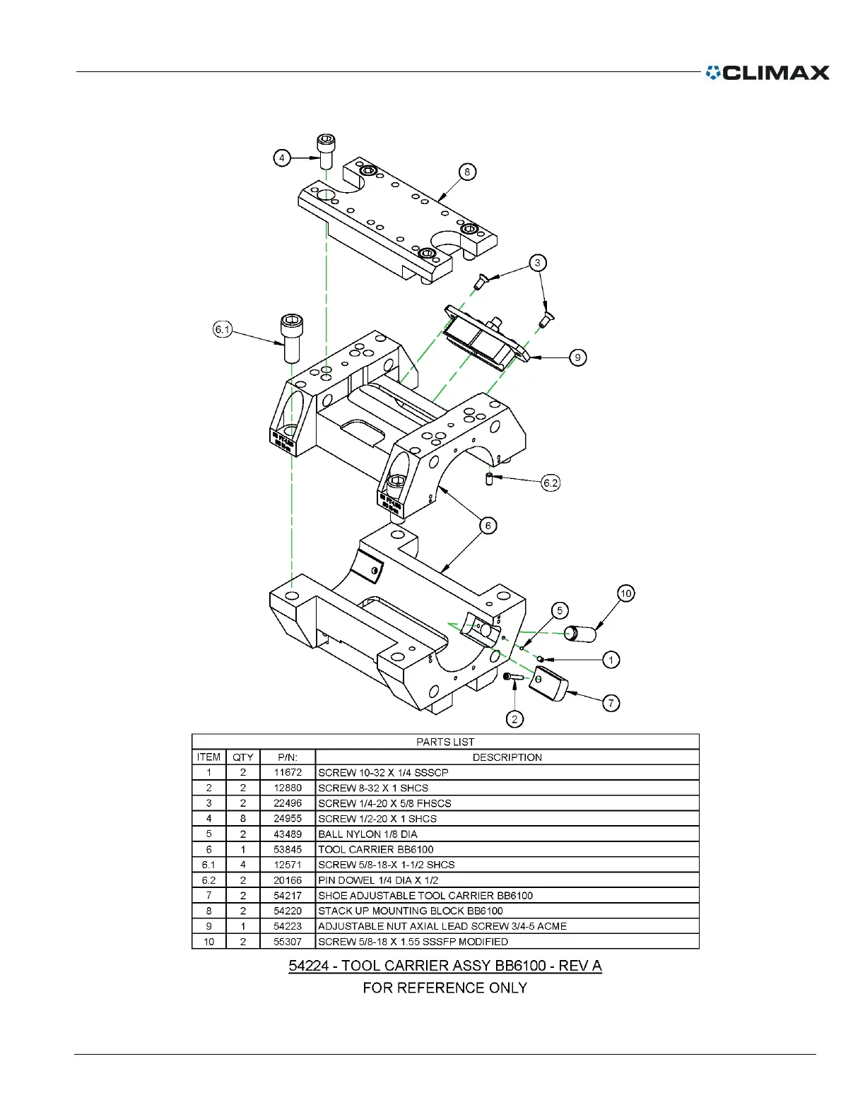
FIGURE 34. TOOL CARRIER ASSEMBLY (P/N 54224)

Table of Contents

Related product manuals