EasyManua.ls Logo

Cloos GLC 553 MC3 - Page 96

Default Icon
122 pages
Print Icon
To Next Page IconTo Next Page
To Next Page IconTo Next Page
To Previous Page IconTo Previous Page
To Previous Page IconTo Previous Page
Loading...
L-34
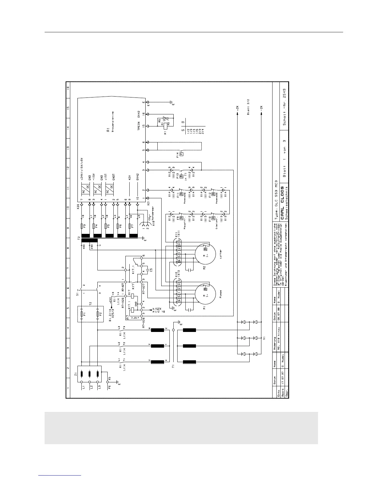
Elektr. und mech. Beschreibung / electr. and mech.
description / description méc. et électr. GLC 353/503/553 MC3
Blatt 1 von 3 GLC 553 MC3 - Schalt.-Nr. 2549
Page 1 of 3 GLC 553 MC3 - Diagram No. 2549
Page 1 de 3 GLC 553 MC3 - Schéma No. 2549

Table of Contents

Related product manuals