EasyManua.ls Logo

COMAC ARJ21-700 - Page 73

Default Icon
226 pages
Print Icon
To Next Page IconTo Next Page
To Next Page IconTo Next Page
To Previous Page IconTo Previous Page
To Previous Page IconTo Previous Page
Loading...
ARJ21-SVV19-13120-00
RampServicingOperation
Instruction
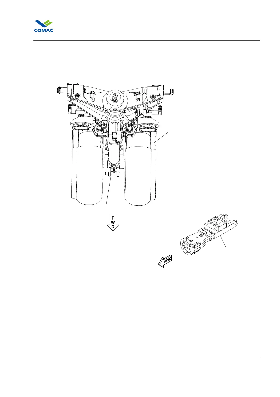
NOSE LANDING GEAR
NOSE LANDING GEAR TOWING TRUNNION
TOWBAR HEAD
ICN-ARJ21-A-091000-A-SVV19-00505-A-001-01
Figure2TowingFitting(Sheet1of1)
ARJ21-A-13-12-02-01A-174A-A
Endofdatamodule
Issue001,2023-01-29
Applicableto:ALL
Page5of5

Table of Contents