EasyManua.ls Logo

Combat HVAC NRG Control - CTU Wiring (Pektron Ignition Controller); CTCU Wiring (Pektron Ignition Controller)

Combat HVAC NRG Control
48 pages
Print Icon
To Next Page IconTo Next Page
To Next Page IconTo Next Page
To Previous Page IconTo Previous Page
To Previous Page IconTo Previous Page
Loading...
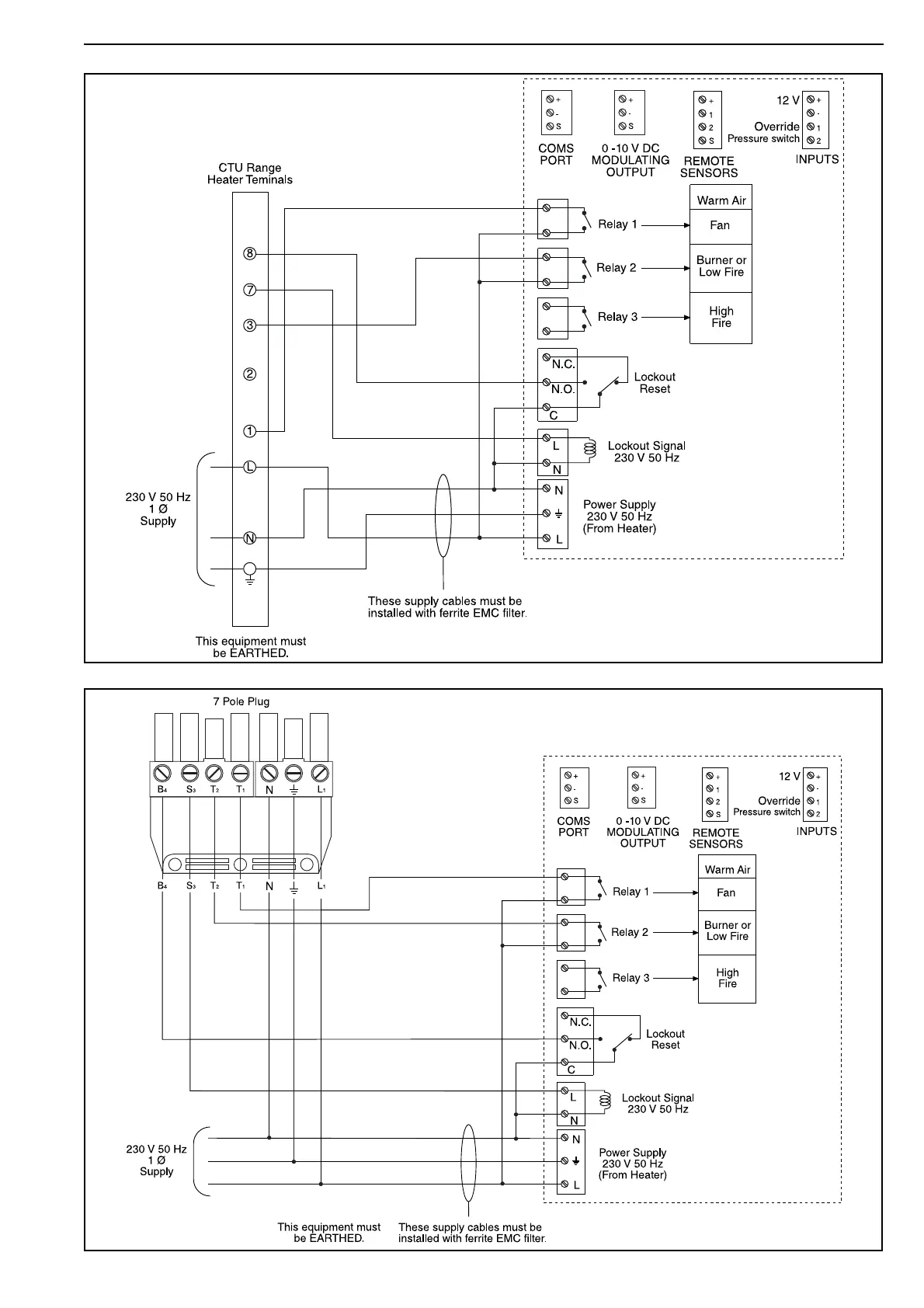
SECTION 4: WIRING
11 of 40
4.3
CTU (Terminal block connection) Wiring (Pektron Ignition Controller)
4.4
CTCU Wiring & CTU (7 pin plug connection) (Pektron Ignition Controller)

Table of Contents