EasyManua.ls Logo

Combat HVAC NRG Control - CTU Wiring (Pactrol Ignition Controller); CTCU Wiring (Pactrol Ignition Controller)

Combat HVAC NRG Control
48 pages
Print Icon
To Next Page IconTo Next Page
To Next Page IconTo Next Page
To Previous Page IconTo Previous Page
To Previous Page IconTo Previous Page
Loading...
12 of 40
4.5
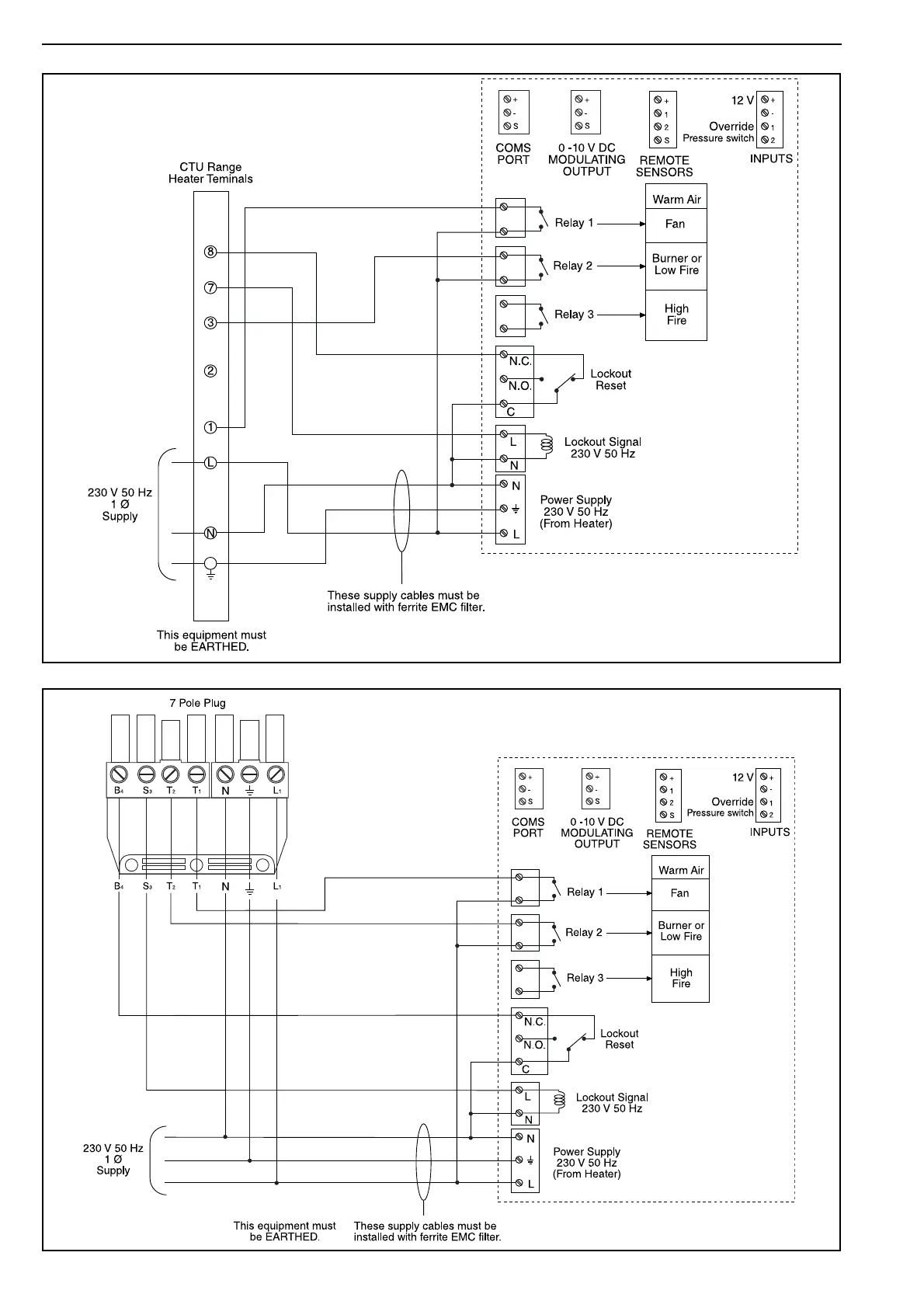
CTU Wiring (Terminal block connection) (Pactrol Ignition Controller)
4.6 CTCU Wiring & CTU (7 pin plug connection) (Pactrol Ignition Controller)
COMBAT HVAC NRG CONTROL INSTALLATION, OPERATION AND SERVICE MANUAL

Table of Contents