EasyManua.ls Logo

Combat HVAC NRG Control - Cabinet Heater Remote Lockout Reset Wiring; Unitary Radiant System Wiring

Combat HVAC NRG Control
48 pages
Print Icon
To Next Page IconTo Next Page
To Next Page IconTo Next Page
To Previous Page IconTo Previous Page
To Previous Page IconTo Previous Page
Loading...
SECTION 4: WIRING
17 of 40
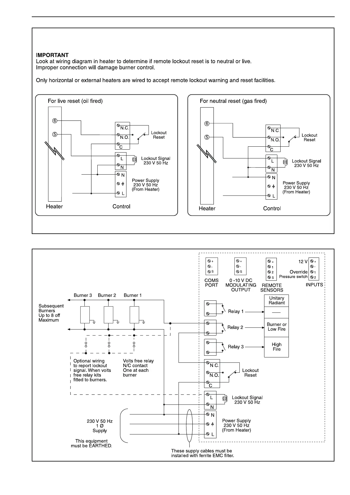
4.12 Cabinet Heater Remote Lockout Reset Wiring (older versions)
4.13 Unitary Radiant System Wiring

Table of Contents