EasyManua.ls Logo

Combat HVAC NRG Control - Interface Relay Wiring for Multiple Models CTCU 11 - 32 & CTU 40 - 60

Combat HVAC NRG Control
48 pages
Print Icon
To Next Page IconTo Next Page
To Next Page IconTo Next Page
To Previous Page IconTo Previous Page
To Previous Page IconTo Previous Page
Loading...
14 of 40
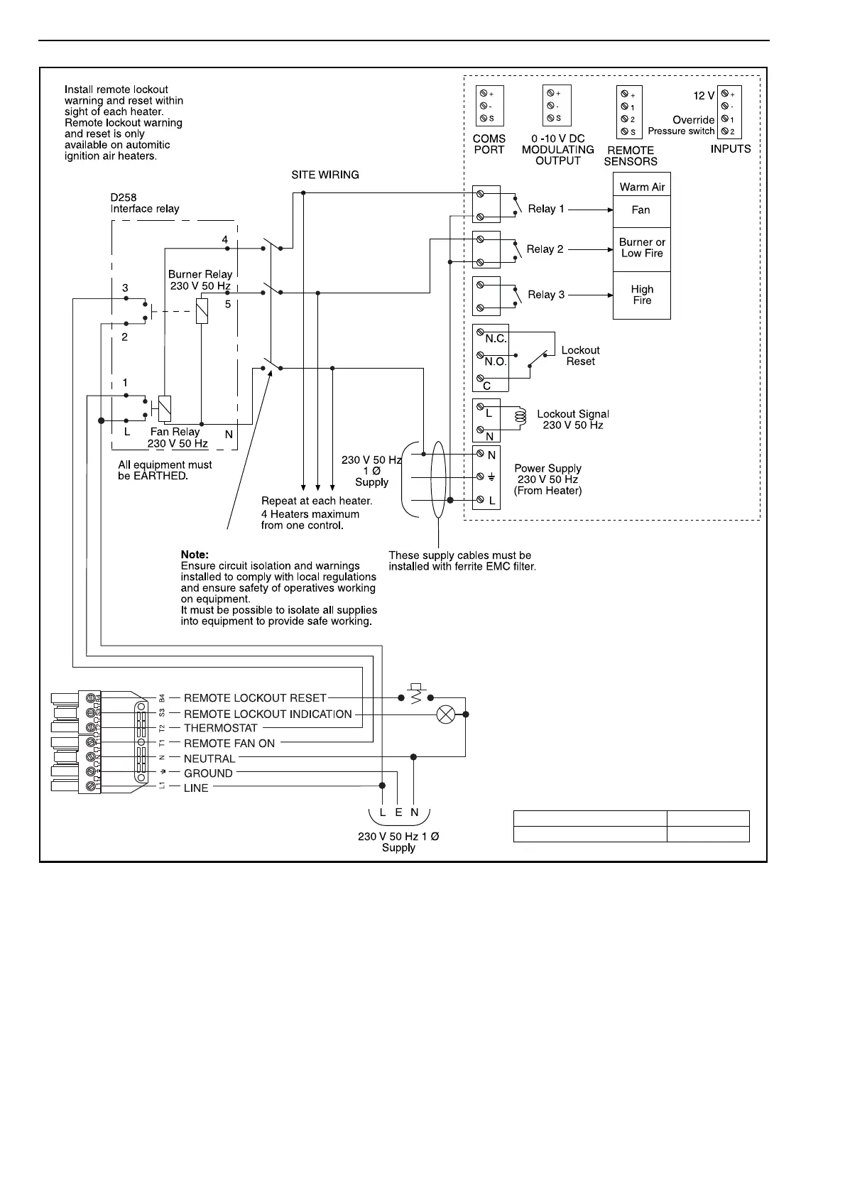
4.8 Interface Relay Wiring for Multiple Models CTCU 11 - 32 & CTU 40 - 60
Description Part Number
Interface Relay Assembly D258
COMBAT HVAC NRG CONTROL INSTALLATION, OPERATION AND SERVICE MANUAL

Table of Contents