EasyManua.ls Logo

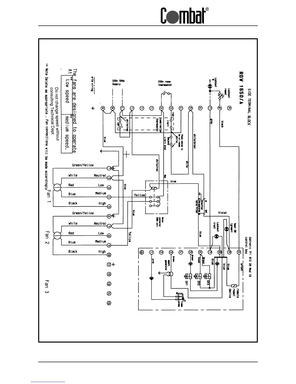
COMBAT CUHA - Fig 5.11 Wiring of CUHD;A Range - Automatic Ignition - All Models

COMBAT CUHA
84 pages
Print Icon
To Next Page IconTo Next Page
To Next Page IconTo Next Page
To Previous Page IconTo Previous Page
To Previous Page IconTo Previous Page
Loading...
Page 45
UNIT HEATER
Fig 5.9 Wiring For CUHB/A & CUHC/A Models 180 to 300
AUTOMATIC IGNITION

Table of Contents

Related product manuals