EasyManua.ls Logo

COMBAT CUHA - Page 48

COMBAT CUHA
84 pages
Print Icon
To Next Page IconTo Next Page
To Next Page IconTo Next Page
To Previous Page IconTo Previous Page
To Previous Page IconTo Previous Page
Loading...
Page 46
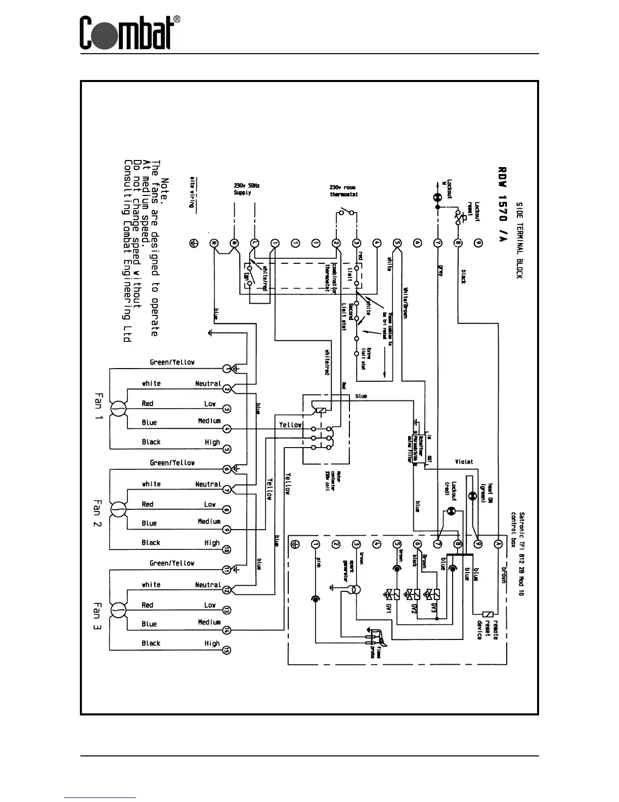
UNIT HEATER
Fig 5.10 Wiring For CUHB/A & CUHC/A Models 340 to 380
AUTOMATIC IGNITION

Table of Contents

Related product manuals