EasyManua.ls Logo

ComfortZone RX50 - Dimensions and Position of Pipe Connection RX35; 50;65 High Model

Default Icon
66 pages
Print Icon
To Next Page IconTo Next Page
To Next Page IconTo Next Page
To Previous Page IconTo Previous Page
To Previous Page IconTo Previous Page
Loading...
ComfortZone RX35/RX50/RX65
service & maintenance
21
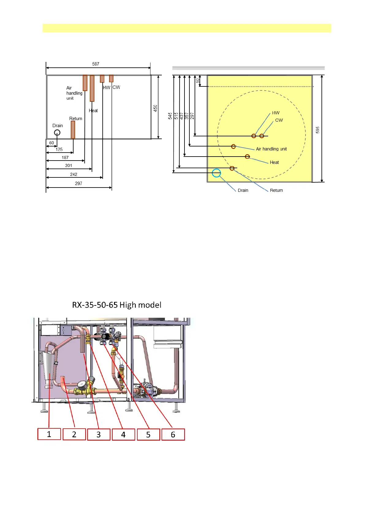
5.4
Dimensions and position of pipe connection RX35 / 50/65 High
model.
5.4.1
Pipe dimensions
Heat
Flow pipe, circulation water
Pipe Ø 22 mm
Return
Return pipe, circulation water
Pipe Ø 22 mm
CW
Connection cold water
Compression Ø 22 mm
HW
Connection hot water
Compression Ø 22 mm
Air handling unit
Connection of air supply units, plugged
in
delivery, need not be connected.
External screw DN15
Drain
Drain water discharge
PVC pipes 32 mm, ex M42x2
1. Drain water, connected to floor drain.
2. Return from the house and possibly air
supply units.
3. Supply of circulation water to the house.
4. Connection for air supply units, optional.
5. Hot tap water.
6. Incoming cold water.

Table of Contents

Related product manuals